| Nominal Size or Nominal Pin Diameter | Pin Diameter, A | Corner Radius, R | |||
|---|---|---|---|---|---|
| Basic | Max | Min | Max | Min | |
| 1/16 | 0.0627 | 0.0628 | 0.0626 | 0.020 | 0.010 |
| 3/32 | 0.0939 | 0.0940 | 0.0938 | 0.020 | 0.010 |
| 7/64 | 0.1095 | 0.1096 | 0.1094 | 0.020 | 0.010 |
| 1/8 | 0.1252 | 0.1253 | 0.1251 | 0.020 | 0.010 |
| 5/32 | 0.1564 | 0.1565 | 0.1563 | 0.020 | 0.010 |
| 3/16 | 0.1877 | 0.1878 | 0.1876 | 0.020 | 0.010 |
| 7/32 | 0.2189 | 0.2190 | 0.2188 | 0.020 | 0.010 |
| 1/4 | 0.2502 | 0.2503 | 0.2501 | 0.020 | 0.010 |
| 5/16 | 0.3127 | 0.3128 | 0.3126 | 0.020 | 0.010 |
| 3/8 | 0.3752 | 0.3753 | 0.3751 | 0.020 | 0.010 |
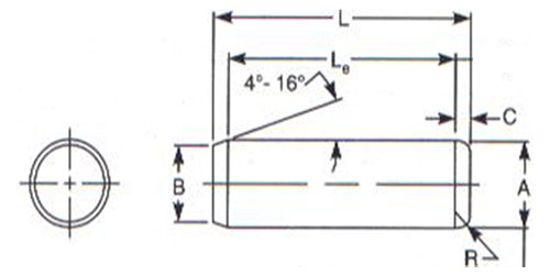
| Nominal Size or Nominal Pin Diameter | Pin Diameter, A | Chamfer Length, C | Double Shear Load, Min, lb. | |||
|---|---|---|---|---|---|---|
| Material | ||||||
| Max | Min | Max | Min | Carbon Steel | Brass | |
| 1/16 | 0.0600 | 0.0595 | 0.025 | 0.005 | 350 | 220 |
| 3/32 | 0.0912 | 0.0907 | 0.025 | 0.005 | 820 | 510 |
| 7/64 | 0.1068 | 0.1063 | 0.025 | 0.005 | 1130 | 710 |
| 1/8 | 0.1223 | 0.1218 | 0.025 | 0.005 | 1490 | 930 |
| 5/32 | 0.1535 | 0.1530 | 0.025 | 0.005 | 2350 | 1470 |
| 3/16 | 0.1847 | 0.1842 | 0.025 | 0.005 | 3410 | 2130 |
| 7/32 | 0.2159 | 0.2154 | 0.025 | 0.005 | 4660 | 2910 |
| 1/4 | 0.2470 | 0.2465 | 0.025 | 0.005 | 6120 | 3810 |
| 5/16 | 0.3094 | 0.3089 | 0.040 | 0.020 | 9590 | 5990 |
| 3/8 | 0.3717 | 0.3712 | 0.040 | 0.020 | 13850 | 8650 |
| 7/16 | 0.4341 | 0.4336 | 0.040 | 0.020 | 18900 | 11810 |
| 1/2 | 0.4964 | 0.4959 | 0.040 | 0.020 | 24720 | 15450 |
| 5/8 | 0.6211 | 0.6206 | 0.055 | 0.035 | 38710 | 24190 |
| 3/4 | 0.7548 | 0.7453 | 0.055 | 0.035 | 55840 | 34900 |
| 7/8 | 0.8705 | 0.8700 | 0.070 | 0.050 | 76090 | 47550 |
| 1 | 0.9952 | 0.9947 | 0.070 | 0.050 | 99460 | 62160 |