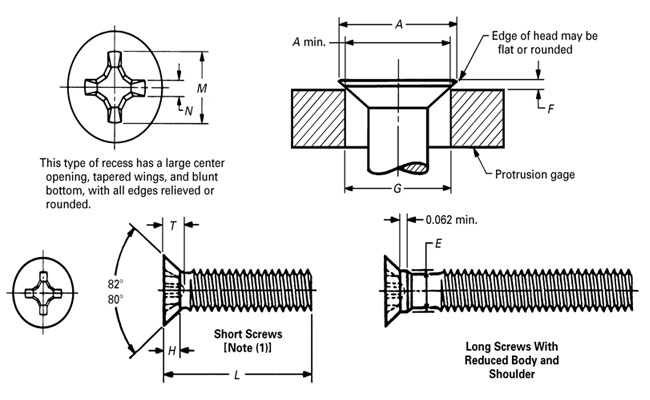
| Nominal Size or Basic Screw Diameter | Head Size | Shoulder Diameter, E | Head Diameter, A | Head Height, H | Recess Diameter, M | Recess Depth, T | Recess Width, N | Driver Size | Recess Penetration Gaging Depth | Protrusion Above Gaging Diameter, F | Gaging Diameter, G | ||||
|---|---|---|---|---|---|---|---|---|---|---|---|---|---|---|---|
| Max | Min | Max | Min | Max | Min | Max | Min | ||||||||
| 4 | 3 | 0.112 | 0.106 | 0.187 | 0.167 | 0.052 | 0.100 | 0.060 | 0.029 | 1 | 0.058 | 0.042 | 0.031 | 0.018 | 0.148 |
| 5 | 4 | 0.125 | 0.119 | 0.212 | 0.191 | 0.060 | 0.122 | 0.081 | 0.030 | 1 | 0.079 | 0.063 | 0.032 | 0.019 | 0.172 |
| 6 | 4 | 0.138 | 0.131 | 0.212 | 0.191 | 0.052 | 0.122 | 0.081 | 0.030 | 1 | 0.079 | 0.063 | 0.032 | 0.019 | 0.172 |
| 6 | 5 | 0.138 | 0.131 | 0.237 | 0.215 | 0.068 | 0.148 | 0.077 | 0.041 | 2 | 0.071 | 0.053 | 0.034 | 0.020 | 0.196 |
| 8 | 5 | 0.164 | 0.157 | 0.237 | 0.215 | 0.052 | 0.158 | 0.088 | 0.041 | 2 | 0.081 | 0.063 | 0.034 | 0.020 | 0.196 |
| 8 | 6 | 0.164 | 0.157 | 0.262 | 0.238 | 0.069 | 0.176 | 0.105 | 0.041 | 2 | 0.099 | 0.081 | 0.036 | 0.021 | 0.220 |
| 10 | 8 | 0.190 | 0.181 | 0.312 | 0.285 | 0.085 | 0.182 | 0.112 | 0.041 | 2 | 0.107 | 0.089 | 0.039 | 0.023 | 0.267 |
| 12 | 8 | 0.216 | 0.207 | 0.312 | 0.285 | 0.069 | 0.192 | 0.122 | 0.041 | 2 | 0.117 | 0.099 | 0.039 | 0.023 | 0.267 |
| 12 | 10 | 0.216 | 0.207 | 0.362 | 0.333 | 0.101 | 0.198 | 0.127 | 0.041 | 2 | 0.122 | 0.104 | 0.042 | 0.025 | 0.313 |
| 1/4 | 10 | 0.250 | 0.240 | 0.362 | 0.333 | 0.080 | 0.198 | 0.127 | 0.041 | 2 | 0.122 | 0.104 | 0.042 | 0.025 | 0.313 |
| 1/4 | 12 | 0.250 | 0.240 | 0.412 | 0.380 | 0.112 | 0.262 | 0.149 | 0.056 | 3 | 0.136 | 0.118 | 0.045 | 0.027 | 0.362 |
| 5/16 | 12 | 0.312 | 0.302 | 0.412 | 0.380 | 0.075 | 0.262 | 0.149 | 0.056 | 3 | 0.136 | 0.118 | 0.045 | 0.027 | 0.362 |
| 5/16 | 1/4 | 0.312 | 0.302 | 0.477 | 0.442 | 0.116 | 0.276 | 0.164 | 0.057 | 3 | 0.151 | 0.133 | 0.050 | 0.029 | 0.424 |
| 1/8 | 5/16 | 0.375 | 0.364 | 0.597 | 0.556 | 0.155 | 0.358 | 0.211 | 0.086 | 4 | 0.193 | 0.175 | 0.057 | 0.034 | 0.539 |