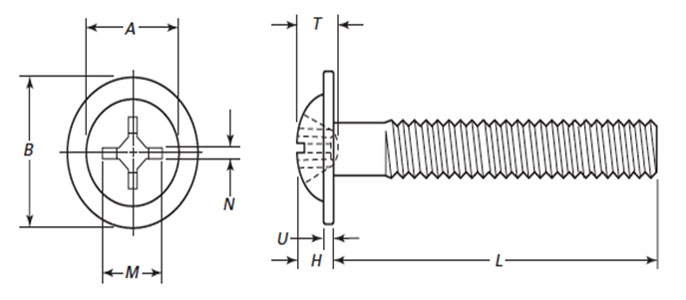
Dimensions of ASME B18.6.3 Type 1 Cross Recessed Round Washer Head Machine Screws

Dimensions of ASME B18.6.3 Type 1 Cross Recessed Round Washer Head Machine Screws

Nominal Size or Basic Screw Diameter Crown Diameter, A Head Height, H Washer Diameter, B Washer Thickness, U Recess Diameter, M Recess Depth, T Recess Width, N Driver Size Recess Penetration Gaging Depth
Max Min Max Min Max Min
2 0.136 0.062 0.050 0.202 0.186 0.030 0.099 0.041 0.018 1 0.046 0.021
3 0.156 0.070 0.058 0.232 0.215 0.030 0.107 0.052 0.019 1 0.056 0.033
4 0.177 0.079 0.067 0.261 0.243 0.030 0.116 0.062 0.019 1 0.065 0.044
5 0.198 0.088 0.075 0.291 0.272 0.040 0.139 0.052 0.026 2 0.054 0.026
6 0.218 0.096 0.084 0.321 0.301 0.040 0.147 0.058 0.026 2 0.061 0.033
8 0.259 0.113 0.101 0.380 0.358 0.040 0.161 0.073 0.028 2 0.076 0.048
10 0.300 0.130 0.118 0.439 0.416 0.050 0.177 0.091 0.029 2 0.093 0.066
12 0.341 0.148 0.134 0.498 0.473 0.050 0.228 0.097 0.030 3 0.094 0.066
1/4 0.396 0.170 0.157 0.576 0.548 0.050 0.244 0.110 0.032 3 0.107 0.080
5/16 0.494 0.211 0.197 0.719 0.687 0.060 0.292 0.160 0.038 3 0.156 0.129
3/8 0.593 0.253 0.238 0.861 0.825 0.060 0.348 0.177 0.058 4 0.170 0.144
7/16 0.691 0.294 0.278 1.004 0.963 0.070 0.366 0.198 0.061 4 0.190 0.165
1/2 0.790 0.335 0.319 1.146 1.101 0.090 0.383 0.217 0.063 4 0.210 0.184