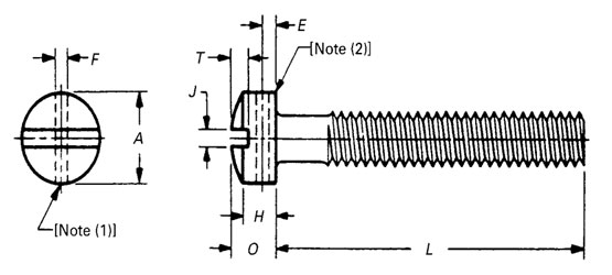
| Nominal Size or Basic Screw Diameter | Head Diameter, A | Head Side Height, H | Total Head Height, O | Slot Width, J | Slot Depth, T | Drilled Hole Location, E | Drilled Hole Diameter, F | |||||
|---|---|---|---|---|---|---|---|---|---|---|---|---|
| Max | Min | Max | Min | Max | Min | Max | Min | Max | Min | |||
| 2 | 0.140 | 0.124 | 0.062 | 0.055 | 0.083 | 0.070 | 0.031 | 0.023 | 0.030 | 0.022 | 0.026 | 0.031 |
| 3 | 0.161 | 0.145 | 0.070 | 0.064 | 0.095 | 0.082 | 0.035 | 0.027 | 0.034 | 0.026 | 0.030 | 0.037 |
| 4 | 0.183 | 0.166 | 0.079 | 0.072 | 0.107 | 0.094 | 0.039 | 0.031 | 0.038 | 0.030 | 0.035 | 0.037 |
| 5 | 0.205 | 0.187 | 0.088 | 0.081 | 0.120 | 0.106 | 0.043 | 0.035 | 0.042 | 0.033 | 0.038 | 0.046 |
| 6 | 0.226 | 0.208 | 0.096 | 0.089 | 0.132 | 0.118 | 0.048 | 0.039 | 0.045 | 0.035 | 0.043 | 0.046 |
| 8 | 0.270 | 0.250 | 0.113 | 0.106 | 0.156 | 0.141 | 0.054 | 0.045 | 0.065 | 0.054 | 0.043 | 0.046 |
| 10 | 0.313 | 0.292 | 0.130 | 0.123 | 0.180 | 0.165 | 0.060 | 0.050 | 0.075 | 0.064 | 0.043 | 0.046 |
| 12 | 0.357 | 0.334 | 0.148 | 0.139 | 0.205 | 0.188 | 0.067 | 0.056 | 0.087 | 0.074 | 0.053 | 0.046 |
| 1/4 | 0.414 | 0.389 | 0.170 | 0.161 | 0.237 | 0.219 | 0.075 | 0.064 | 0.102 | 0.087 | 0.062 | 0.062 |
| 5/16 | 0.518 | 0.490 | 0.211 | 0.201 | 0.295 | 0.276 | 0.084 | 0.072 | 0.130 | 0.110 | 0.078 | 0.070 |
| 3/8 | 0.622 | 0.590 | 0.253 | 0.242 | 0.355 | 0.333 | 0.094 | 0.081 | 0.154 | 0.134 | 0.094 | 0.070 |