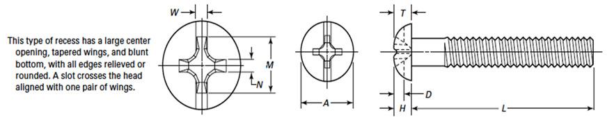
Dimensions of ASME B18.6.3 Combination Slotted Type 1 Cross Recessed Round Head Machine Screws

Dimensions of ASME B18.6.3 Combination Slotted Type 1 Cross Recessed Round Head Machine Screws

Nominal Size or Basic Screw Diameter Head Diameter, A Head Height, H Slot Width, N Slot Depth, D Recess Diameter, M Recess Depth, T Recess Width, N Driver Size Recess Penetration Gaging Depth, P
Max Min Max Min Max Min Max Min Max Min