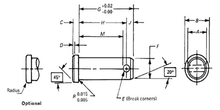
Dimensions of ASME B18.8.1 Clevis Pins

Dimensions of ASME B18.8.1 Clevis Pins

Nominal Size or Basic Pin Diameter Shank Diameter, A Head Diameter, B Head Height, C Head Chamfer, D Hole Diameter, E Point Diameter, F Pin Length, G Head to center of hole, H End to Center Ref, J Head to Edge of Hole, M Recommended Cotter Pin Nominal Size
Max Min Max Min Max Min +-0.01 Max Min Max Min Basic Max Min Basic Min