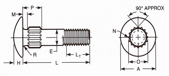
| Nominal Size or Basic Bolt Diameter | Body Diameter, E | Head Diameter, A | Head Height, H | Max Head to Rib Length, M | Number of Ribs, N | Min Diameter Over Ribs, O | Length of Depth Over Ribs, P | Maximum Fillet Radius, R | |||||||
|---|---|---|---|---|---|---|---|---|---|---|---|---|---|---|---|
| =<7/8 Inch | 1 in. and 1 1/8 | >= 1 1/4 in. | |||||||||||||
| Max | Min | Max | Min | Max | Min | =<7/8 Inch | >= 1 in. | Apporx. | (+ -) 0.031 | (+ -) 0.031 | (+ -) 0.031 | ||||
| No. 10 | 0.19 | 0.199 | 0.182 | 0.469 | 0.438 | 0.114 | 0.094 | 0.062 | 0.094 | 9 | 0.21 | 0.25 | 0.407 | 0.594 | 0.031 |
| 1/4 | 0.25 | 0.26 | 0.237 | 0.594 | 0.563 | 0.145 | 0.125 | 0.062 | 0.094 | 10 | 0.274 | 0.25 | 0.407 | 0.594 | 0.031 |
| 5/16 | 0.3125 | 0.324 | 0.298 | 0.719 | 0.688 | 0.176 | 0.156 | 0.062 | 0.094 | 12 | 0.34 | 0.25 | 0.407 | 0.594 | 0.031 |
| 3/8 | 0.375 | 0.388 | 0.360 | 0.844 | 0.782 | 0.208 | 0.188 | 0.062 | 0.094 | 12 | 0.405 | 0.25 | 0.407 | 0.594 | 0.031 |
| 7/16 | 0.4375 | 0.452 | 0.421 | 0.969 | 0.907 | 0.239 | 0.219 | 0.062 | 0.094 | 14 | 0.47 | 0.25 | 0.407 | 0.594 | 0.031 |
| 1/2 | 0.5 | 0.515 | 0.483 | 1.094 | 1.032 | 0.270 | 0.250 | 0.062 | 0.094 | 16 | 0.534 | 0.25 | 0.407 | 0.594 | 0.031 |
| 5/8 | 0.625 | 0.642 | 0.605 | 1.344 | 1.219 | 0.344 | 0.313 | 0.125 | 0.125 | 19 | 0.66 | 0.313 | 0.438 | 0.625 | 0.062 |
| 3/4 | 0.75 | 0.768 | 0.729 | 1.594 | 1.469 | 0.406 | 0.375 | 0.125 | 0.125 | 22 | 0.785 | 0.313 | 0.438 | 0.625 | 0.062 |