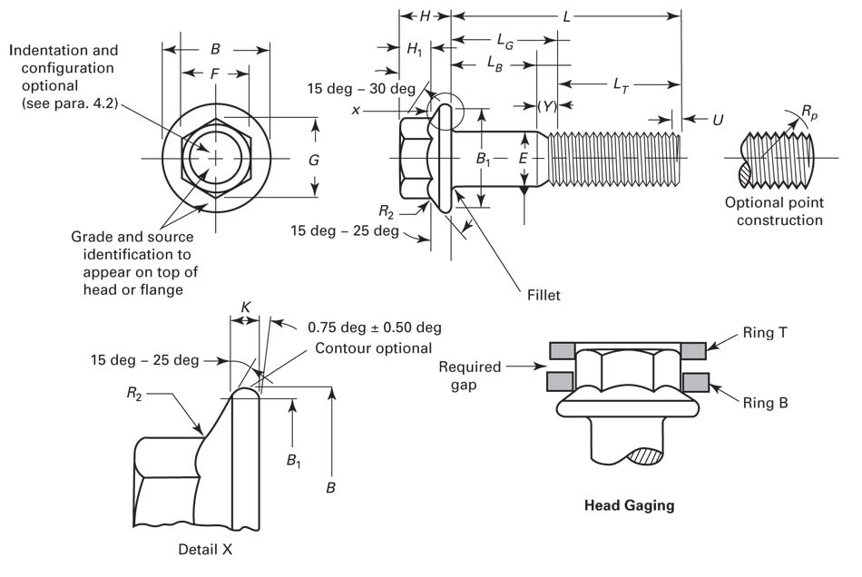
| Nomianal Size or Basic product Diameter | Minimum Bearing Diam., B1 | Maximum Runout of Bearing Surface FIM | Thread Length, LT | Maximum Transition Thread Length, Y | Ring T | Ring B | |||||
|---|---|---|---|---|---|---|---|---|---|---|---|
| L ≤ 6 in. | L > 6 in. | L ≤ 6 in. | L > 6 in. | Inside Diameter +0.0000 -0.0003 |
Min Thickness | Inside Diameter +0.0000 -0.0003 |
Min Thickness +0.0000 -0.0003 |
||||
| 1/4 | 0.2500 | 0.480 | 0.010 | 0.750 | 1.000 | 0.400 | 0.650 | 0.4380 | 0.500 | 0.4093 | 0.0514 |
| 5/16 | 0.3125 | 0.600 | 0.011 | 0.875 | 1.125 | 0.417 | 0.667 | 0.5820 | 0.500 | 0.5483 | 0.0643 |
| 3/8 | 0.3750 | 0.730 | 0.012 | 1.000 | 1.250 | 0.438 | 0.688 | 0.6550 | 0.500 | 0.6183 | 0.0771 |
| 7/16 | 0.4375 | 0.850 | 0.013 | 1.125 | 1.375 | 0.464 | 0.714 | 0.7300 | 0.500 | 0.6853 | 0.0900 |
| 1/2 | 0.5000 | 0.980 | 0.014 | 1.250 | 1.500 | 0.481 | 0.731 | 0.8750 | 0.500 | 0.8253 | 0.1029 |
| 9/16 | 0.5625 | 1.100 | 0.015 | 1.375 | 1.625 | 0.750 | 0.750 | 0.9500 | 0.500 | 0.8953 | 0.1157 |
| 5/8 | 0.6250 | 1.230 | 0.017 | 1.500 | 1.750 | 0.773 | 0.773 | 1.0750 | 0.500 | 1.0343 | 0.1286 |
| 3/4 | 0.7500 | 1.470 | 0.020 | 1.750 | 2.000 | 0.800 | 0.800 | 1.3120 | 0.500 | 1.2343 | 0.1543 |