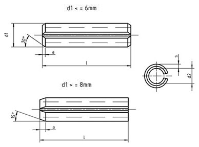
| Dimension | a | d1 | d2 | s | shearing kN | ||
|---|---|---|---|---|---|---|---|
| min | max | approx | shear force | double shear | |||
| 1 | 0.15 | 1.2 | 1.3 | 0.8 | 0.2 | 0.35 | 0.7 |
| 1.5 | 0.25 | 1.7 | 1.8 | 1.1 | 0.3 | 0.79 | 1.58 |
| 2 | 0.35 | 2.3 | 2.4 | 1.5 | 0.4 | 1.41 | 2.82 |
| 2.5 | 0.4 | 2.8 | 2.9 | 1.8 | 0.5 | 2.19 | 4.38 |
| 3 | 0.5 | 3.3 | 3.5 | 2.1 | 0.6 | 3.16 | 6.32 |
| 3.5 | 0.6 | 3.8 | 4 | 2.3 | 0.75 | 4.53 | 9.06 |
| 4 | 0.65 | 4.4 | 4.6 | 2.8 | 0.8 | 5.62 | 11.24 |
| 4.5 | 0.8 | 4.9 | 5.1 | 2.9 | 1 | 7.68 | 15.36 |
| 5 | 0.9 | 5.4 | 5.6 | 3.4 | 1 | 8.77 | 17.54 |
| 6 | 1.2 | 6.4 | 6.7 | 3.9 | 1.25 | 13.02 | 26.04 |
| 8 | 2 | 8.5 | 8.8 | 5.5 | 1.5 | 21.38 | 42.76 |
| 10 | 2 | 10.5 | 10.8 | 6.5 | 2 | 35.08 | 70.16 |
| 12 | 2 | 12.5 | 13.5 | 7.5 | 2.5 | 52.07 | 104.1 |
| 13 | 2 | 12.8 | 13.8 | 8.5 | 2.5 | 57.55 | 115.1 |
Notes : Non preferred size, not recommended for new design due to limited availability