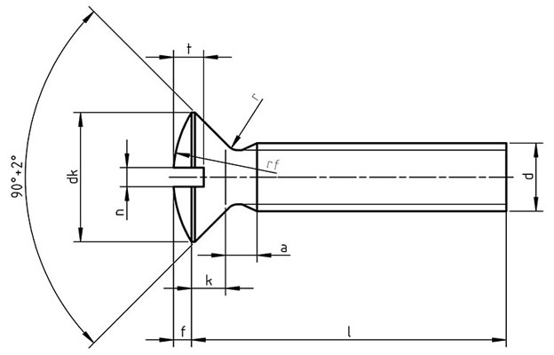
| Thread d | p | a | b | dk | f | k | n | r | rf | t | x | ||||
|---|---|---|---|---|---|---|---|---|---|---|---|---|---|---|---|
| max | min | nominal=max | min | approx | max | nominal | max | min | max | approx. | min | max | max | ||
| M1 | 0.25 | 0.5 | Full thread | 1.9 | 1.76 | 0.25 | 0.6 | 0.25 | 0.31 | 0.45 | 0.1 | 2 | 0.4 | 0.3 | – |
| M1.2 | 0.25 | 0.5 | “ | 2.3 | 2.06 | 0.3 | 0.72 | 0.3 | 0.36 | 0.5 | 0.12 | 2.5 | 0.5 | 0.35 | – |
| M1.4 | 0.3 | 0.6 | “ | 2.6 | 2.46 | 0.35 | 0.84 | 0.3 | 0.36 | 0.5 | 0.14 | 3 | 0.52 | 0.4 | – |
| M1.6 | 0.35 | 0.7 | 15 | 3 | 2.86 | 0.4 | 0.96 | 0.4 | 0.46 | 0.6 | 0.16 | 3 | 0.65 | 0.45 | 0.9 |
| M2 | 0.4 | 0.8 | 16 | 3.8 | 3.5 | 0.5 | 1.2 | 0.5 | 0.56 | 0.7 | 0.2 | 4 | 0.8 | 0.6 | 1 |
| M2.5 | 0.45 | 0.9 | 18 | 4.7 | 4.4 | 0.6 | 1.5 | 0.6 | 0.66 | 0.8 | 0.25 | 5 | 1 | 0.7 | 1.1 |
| M3 | 0.5 | 1 | 19 | 5.6 | 5.3 | 0.75 | 1.65 | 0.8 | 0.86 | 1 | 0.3 | 6 | 1.2 | 0.85 | 1.25 |
| M3.5 | 0.6 | 1.2 | 20 | 6.5 | 6.14 | 0.9 | 1.93 | 0.8 | 0.96 | 1 | 0.35 | 7 | 1.4 | 1 | 1.5 |
| M4 | 0.7 | 1.4 | 22 | 7.5 | 7.14 | 1 | 2.2 | 1 | 1.06 | 1.2 | 0.4 | 8 | 1.6 | 1.1 | 1.75 |
| M5 | 0.8 | 1.6 | 25 | 9.2 | 8.84 | 2.5 | 1.25 | 1.2 | 1.26 | 1.51 | 0.5 | 10 | 2 | 1.3 | 2 |
| M6 | 1 | 2 | 28 | 11 | 10.57 | 3 | 1.5 | 1.6 | 1.66 | 1.91 | 0.6 | 12 | 2.4 | 1.6 | 2.5 |
| M8 | 1.25 | 2.5 | 34 | 14.5 | 14.07 | 4 | 2 | 2 | 2.06 | 2.31 | 0.8 | 16 | 3.2 | 2.1 | 3.2 |
| M10 | 1.5 | 3 | 40 | 18 | 17.57 | 5 | 2.5 | 2.5 | 2.56 | 2.81 | 1 | 20 | 4 | 2.6 | 3.8 |
Notes : Non preferred size, not recommended for new design due to limited availability