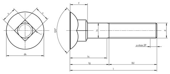
| Thread d | p | b | dk | ds | f | r | v | ||||||
|---|---|---|---|---|---|---|---|---|---|---|---|---|---|
| l?125mm | 125<l?200mm | l>200mm | max | min | max | min | max | min | max | max | min | ||
| M6 | 1 | 18 | 24 | 16.55 | 15.45 | 6 | 5.52 | 7.45 | 6.55 | 0.9 | 6.48 | 5.52 | |
| M8 | 1.25 | 22 | 28 | 20.65 | 19.35 | 8 | 7.42 | 9.45 | 8.55 | 1.2 | 8.58 | 7.42 | |
| M10 | 1.5 | 26 | 32 | 24.65 | 23.35 | 10 | 9.42 | 11.55 | 9.45 | 1.5 | 10.58 | 9.42 | |
Notes : Non preferred size, not recommended for new design due to limited availability