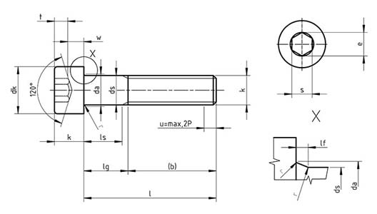
| Thread d | p | b | dk | da | ds | e | h | k | r | s | t | v | dw | w | ||||||
|---|---|---|---|---|---|---|---|---|---|---|---|---|---|---|---|---|---|---|---|---|
| max | max grooved head | min | max | max | min | min | max | max | min | min | nominal | max | min | min | max | min | min | |||
| M1.6 | 0.35 | 15 | 3 | 3.14 | 2.86 | 2 | 1.60 | 1.46 | 1.733 | 0.34 | 1.60 | 1.46 | 0.1 | 1.5 | 1.58 | 1.52 | 0.7 | 0.16 | 2.72 | 0.55 |
| M2 | 0.4 | 16 | 3.80 | 3.98 | 3.62 | 2.6 | 2.00 | 1.86 | 1.733 | 0.51 | 2.00 | 1.86 | 0.1 | 1.5 | 1.58 | 1.52 | 1 | 0.2 | 3.48 | 0.55 |
| M2.5 | 0.45 | 17 | 4.50 | 4.68 | 4.32 | 3.1 | 2.50 | 2.36 | 2.303 | 0.51 | 2.50 | 2.36 | 0.1 | 2 | 2.08 | 2.02 | 1.1 | 0.25 | 4.18 | 0.85 |
| M3 | 0.5 | 18 | 5.50 | 5.68 | 5.32 | 3.6 | 3.00 | 2.86 | 2.873 | 0.51 | 3.00 | 2.86 | 0.1 | 2.5 | 2.58 | 2.52 | 1.3 | 0.3 | 5.07 | 1.15 |
| M4 | 0.7 | 20 | 7 | 7.22 | 6.78 | 4.7 | 4.00 | 3.82 | 3.443 | 0.6 | 4.00 | 3.82 | 0.2 | 3 | 3.08 | 3.02 | 2 | 0.4 | 6.53 | 1.4 |
| M5 | 0.8 | 22 | 8.50 | 8.72 | 8.28 | 5.7 | 5.00 | 4.82 | 4.583 | 0.6 | 5.00 | 4.82 | 0.2 | 4 | 4.095 | 4.02 | 2.5 | 0.5 | 8.03 | 1.9 |
| M6 | 1 | 24 | 10 | 10.22 | 9.78 | 6.8 | 6.00 | 5.82 | 5.723 | 0.68 | 6.00 | 5.7 | 0.25 | 5 | 5.14 | 5.02 | 3 | 0.6 | 9.38 | 2.3 |
| M8 | 1.25 | 28 | 13 | 13.27 | 12.73 | 9.2 | 8.00 | 7.78 | 6.863 | 1.02 | 8.00 | 7.64 | 0.4 | 6 | 6.14 | 6.02 | 4 | 0.8 | 12.33 | 3.3 |
| M10 | 1.5 | 32 | 16 | 16.27 | 15.73 | 11.2 | 10.00 | 9.78 | 9.149 | 1.02 | 10.00 | 9.64 | 0.4 | 8 | 8.175 | 8.025 | 5 | 1 | 15.33 | 4 |
| M12 | 1.75 | 36 | 18 | 18.27 | 17.73 | 13.7 | 12.00 | 11.73 | 11.429 | 1.45 | 12.00 | 11.57 | 0.6 | 10 | 10.175 | 10.025 | 6 | 1.2 | 17.23 | 4.8 |
| M14 | 2 | 40 | 21 | 21.33 | 20.67 | 15.7 | 14.00 | 13.73 | 13.716 | 1.45 | 14.00 | 13.57 | 0.6 | 12 | 12.212 | 12.032 | 7 | 1.4 | 20.17 | 5.8 |
| M16 | 2 | 44 | 24 | 24.33 | 23.67 | 17.7 | 16.00 | 15.73 | 15.996 | 1.45 | 16.00 | 15.57 | 0.6 | 14 | 14.212 | 14.032 | 8 | 1.6 | 23.17 | 6.8 |
| M20 | 2.5 | 52 | 30 | 30.33 | 29.67 | 22.4 | 20.00 | 19.67 | 19.437 | 2.04 | 20.00 | 19.48 | 0.8 | 17 | 17.23 | 17.05 | 10 | 2 | 28.87 | 8.6 |
| M24 | 3 | 60 | 36 | 36.39 | 35.61 | 26.4 | 24.00 | 23.67 | 21.734 | 2.04 | 24.00 | 23.48 | 0.8 | 19 | 19.275 | 19.065 | 12 | 2.4 | 34.81 | 10.4 |
| M30 | 3.5 | 72 | 45 | 45.39 | 44.61 | 33.4 | 30.00 | 29.67 | 25.154 | 2.89 | 30.00 | 29.48 | 1 | 22 | 22.275 | 22.065 | 15.5 | 3 | 43.61 | 13.1 |
| M36 | 4 | 84 | 54 | 54.46 | 53.54 | 39.4 | 36.00 | 35.61 | 30.854 | 2.89 | 36.00 | 35.38 | 1 | 27 | 27.275 | 27.065 | 19 | 3.6 | 52.54 | 15.3 |
| M42 | 4.5 | 96 | 63 | 63.46 | 62.54 | 45.6 | 42.00 | 41.61 | 36.571 | 3.06 | 42.00 | 41.38 | 1.2 | 32 | 32.33 | 32.08 | 24 | 4.2 | 61.34 | 16.3 |
| M48 | 5 | 108 | 72 | 72.46 | 71.54 | 52.6 | 48.00 | 47.61 | 41.131 | 3.91 | 48.00 | 47.38 | 1.6 | 36 | 36.33 | 36.08 | 28 | 4.8 | 70.34 | 17.5 |
| M56 | 5.5 | 124 | 84 | 84.54 | 83.46 | 63 | 56.00 | 55.54 | 46.831 | 5.95 | 56.00 | 55.26 | 2 | 41 | 41.33 | 41.08 | 34 | 5.6 | 82.26 | 19 |
| M64 | 6 | 140 | 96 | 96.54 | 95.46 | 71 | 64.00 | 6354 | 52.531 | 5.95 | 64.00 | 63.26 | 2 | 46 | 46.33 | 46.08 | 38 | 6.4 | 94.26 | 22 |
Notes : Non preferred size, not recommended for new design due to limited availability