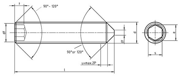
| Thread d | p | df | dt | e | s | t | ||||
|---|---|---|---|---|---|---|---|---|---|---|
| approx. | max | min | min | nominal | min | max | min | min | ||
| M1.4 | 0.3 | – | – | 0.803 | 0.7 | 0.711 | 0.724 | 0.6 | 1.4 | |
| M1.6 | 0.35 | – | – | 0.803 | 0.7 | 0.711 | 0.724 | 0.7 | 1.5 | |
| M1.8 | 0.35 | – | – | 0.803 | 0.7 | 0.711 | 0.724 | 0.8 | 1.6 | |
| M2 | 0.4 | – | – | 1.003 | 0.9 | 0.889 | 0.902 | 0.8 | 1.7 | |
| M2.5 | 0.45 | – | – | 1.427 | 1.3 | 1.27 | 1.295 | 1.2 | 2 | |
| M3 | 0.5 | – | – | 1.73 | 1.5 | 1.52 | 1.545 | 1.2 | 2 | |
| M4 | 0.7 | – | – | 2.3 | 2 | 2.02 | 2.045 | 1.5 | 2.5 | |
| M5 | 0.8 | – | – | 2.87 | 2.5 | 2.52 | 2.56 | 2 | 3 | |
| M6 | 1 | 1.5 | 0.9 | 3.44 | 3 | 3.02 | 3.08 | 2 | 3.5 | |
| M8 | 1.25 | 2 | 1.4 | 4.58 | 4 | 4.02 | 4.095 | 3 | 5 | |
| M10 | 1.5 | 2.5 | 1.9 | 5.72 | 5 | 5.02 | 5.095 | 4 | 6 | |
| M12 | 1.75 | 3 | 2.4 | 6.86 | 6 | 6.02 | 6.095 | 4.5 | 8 | |
| M14 | 2 | 4 | 3.25 | 6.86 | 6 | 6.02 | 6.095 | 5.6 | 9 | |
| M16 | 2 | 4 | 3.25 | 9.15 | 8 | 8.025 | 8.115 | 6.4 | 10 | |
| M18 | 2.5 | 5 | 4.25 | 11.43 | 10 | 10.025 | 10.115 | 7.2 | 11 | |
| M20 | 2.5 | 5 | 4.25 | 11.43 | 10 | 10.025 | 10.115 | 8 | 12 | |
| M22 | 2.5 | 6 | 5.25 | 13.72 | 12 | 12.032 | 12.142 | 9 | 13.5 | |
| M24 | 3 | 6 | 5.25 | 13.72 | 12 | 12.032 | 12.142 | 10 | 15 | |
Notes : Non preferred size, not recommended for new design due to limited availability