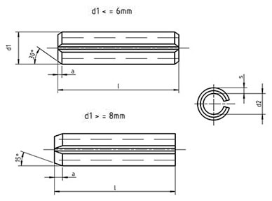
Dimensions for PN 85023 - Spring-Type Straight Pins (Roll Pins) - Heavy Type

Dimensions for PN 85023 - Spring-Type Straight Pins (Roll Pins) - Heavy Type

Dimensionad1d2sshearing kN
minmaxapproxshear forcedouble shear
10.151.21.30.80.20.350.7
1.50.251.71.81.10.30.791.58
20.352.32.41.50.41.412.82
2.50.42.82.91.80.52.194.38
30.53.33.52.10.63.166.32
3.50.63.842.30.754.539.06
40.654.44.62.80.85.6211.24
4.50.84.95.12.917.6815.36
50.95.45.63.418.7717.54
61.26.46.73.91.2513.0226.04
828.58.85.51.521.3842.76
10210.510.86.5235.0870.16
12212.513.57.52.552.07104.1
13212.813.88.52.557.55115.1