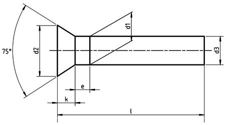
Dimensions for PN 82954 - Countersunk Head Rivets

Dimensions for PN 82954 - Countersunk Head Rivets

d1d2d3ek
NominalToleranceNominalToleranceminmaxapprox
1± 0.051.8h140.930.50.5
1.2± 0.052.1h141.130.60.6
1.4± 0.052.4h141.330.70.7
1.6± 0.052.8h141.520.80.8
2± 0.13.5h141.8711
2.5± 0.14.4h142.371.251.2
3± 0.15.2h142.871.51.4
3.5± 0.16.3h153.371.751.8
4± 0.17h153.8722
5± 0.158.8h154.822.52.5
6± 0.1510.5h155.8233
7± 0.1512.2h156.823.53.5