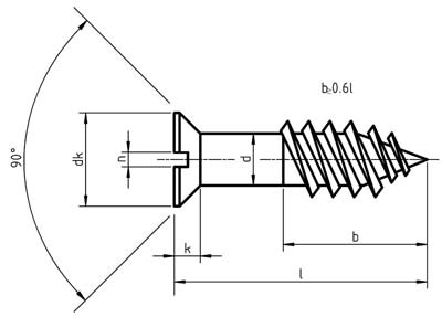
Dimensions for PN 82503 - Slotted Flat Head Wood Screws

Dimensions for PN 82503 - Slotted Flat Head Wood Screws

Dimensionskdkt mint maxn
21.23.80.40.60.5
2.51.54.70.50.70.6
31.655.60.60.850.8
3.51.936.50.710.8
42.27.50.81.11
4.52.358.30.91.21
52.59.211.31.2
63111.21.61.6
73.512.51.41.92
8414.51.62.12