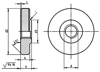
Dimensions for PN 82462 - Knurled nuts, low type

Dimensions for PN 82462 - Knurled nuts, low type

d1d2d3hk
M294.52.52
M2.511532.5
M312632.5
M416843.5
M5201054
M6241265
M8301686
M103620108