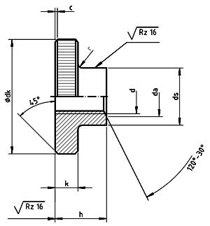
Dimensions for PN 82461 - Knurled nuts, high type

Dimensions for PN 82461 - Knurled nuts, high type

Thread dpcdadkdshkrKnurlWeight kg/1000pcs
minmaxnommaxminnomminnomminnommin
M10.2511.155.55.745.262.82.553.53.21.51.250.50.50.357
M1.20.251.21.466.245.7632.7543.71.51.250.50.50.445
M1.40.31.41.677.296.713.53.24.74.421.750.50.50.765
M1.60.351.61.847.57.797.213.83.554.721.750.50.50.9
M20.422.399.298.714.54.25.3521.750.50.51.3
M2.50.450.32.52.91111.3510.6554.76.56.142.52.250.50.62.2
M30.50.333.451212.3511.6565.77.57.142.52.250.50.63
M40.70.444.61616.3515.6587.649.59.143.53.20.50.67.19
M50.80.455.752020.4219.58109.6411.511.0743.710.613
M610.566.752424.4223.581211.571514.5754.710.624
M81.250.688.753030.4229.581615.571817.5765.720.646
M101.50.81010.83636.535.52019.482322.4887.6420.888