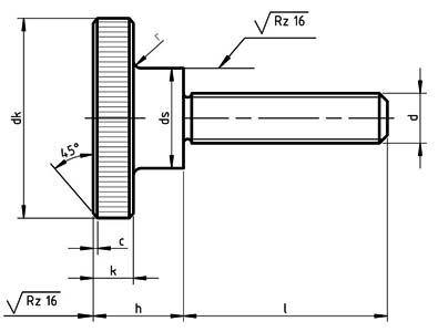
Dimensions for PN 82456 - Knurled thumb screws, high type

Dimensions for PN 82456 - Knurled thumb screws, high type

Thread dpbcdkdshknrt
nommaxminnom = max.minnommaxminnom=maxminnomminmaxminmax
M10.2535.55.745.262.82.553.53.743.261.51.250.30.360.50.50.70.9
M1.20.253.566.245.7632.7544.243.761.51.250.40.460.60.50.81
M1.40.3477.296.713.53.24.74.944.4621.750.40.460.60.50.91.15
M1.60.3557.57.797.213.83.555.244.7621.750.40.460.60.511.3
M20.460.399.298.714.54.25.35.545.0621.750.50.560.7

0.5

1.11.4
M2.50.4580.31111.3510.6554.76.56.796.212.52.250.60.660.80.51.51.8
M30.590.41212.3511.6565.77.57.797.212.52.250.80.8610.51.82.2
M3.50.6100.41414.3513.6576.648.58.798.2132.750.80.8610.522.5
M40.7120.41616.3515.6587.649.59.799.213.53.211.061.20.52.22.7
M50.8150.52020.4219.58109.6411.511.8511.1543.71.21.261.5112.83.4
M61180.62424.4223.581211.571515.3514.6554.71.61.661.9113.54.3
M81.25240.63030.4229.581615.571818.3517.6565.722.062.3124.55.5
M101.5303636.535.52019.482323.4222.5887.642.52.562.81267