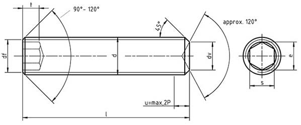
Dimensions for PN 82317 - Hexagon socket set screws with cup point

Dimensions for PN 82317 - Hexagon socket set screws with cup point

Thread dpdvdfest
maxminapprox.minnominalminmaxminmin
M1.40.30.70.45Lower Limit0.8030.70.7110.7240.61.4
M1.60.350.80.55of minor thread0.8030.70.7110.7240.71.5
M1.80.350.90.65diameter0.8030.70.7110.7240.81.6
M20.410.75 1.0030.90.8890.9020.81.7
M2.50.451.20.95 1.4271.31.271.2951.22
M30.51.41.15 1.731.51.521.5451.22
M40.721.75 2.322.022.0451.52.5
M50.82.52.25 2.872.52.522.5623
M6132.75 3.4433.023.0823.5
M81.2554.7 4.5844.024.09535
M101.565.7 5.7255.025.09546
M121.7587.64 6.8666.026.0954.58
M14298.64 6.8666.026.0955.69
M162109.64 9.1588.0258.1156.410
M182.51211.57 11.431010.02510.1157.211
M202.51413.57 11.431010.02510.115812
M222.51615.57 13.721212.03212.142913.5
M2431615.57 13.721212.03212.1421015