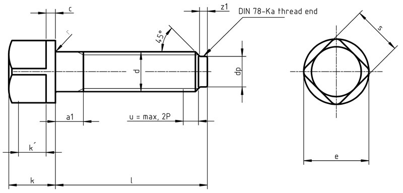
| Dimensions | Thread d | |||||||||||||||||
|---|---|---|---|---|---|---|---|---|---|---|---|---|---|---|---|---|---|---|
| P | a1 | c | dc | dp | k | k’ | r | s | z3 | z4 | ||||||||
| max | min | max | nominal=max | min | nominal=max | min | nominal | min | max | min | min | nominal=max | min | min | max | approx | ||
| M 8 | 1.25 | 4 | 2.88 | 3.12 | 10 | 9.42 | 5.5 | 5.32 | 11 | 10.78 | 11.22 | 5.5 | 0.4 | 8 | 7.78 | 2 | 2.25 | 1 |
| M 10 | 1.5 | 4.5 | 2.88 | 3.12 | 13 | 12.3 | 7 | 6.78 | 13 | 12.78 | 13.22 | 6.9 | 0.4 | 10 | 9.78 | 2.5 | 2.75 | 1 |
| M 12 | 1.75 | 5.3 | 3.85 | 4.15 | 17 | 16.3 | 8.5 | 8.28 | 16 | 15.78 | 16.22 | 8.3 | 0.6 | 13 | 12.73 | 3 | 3.25 | 1.25 |
| M 16 | 2 | 6 | 3.85 | 4.15 | 22 | 21.16 | 12 | 11.73 | 20 | 19.74 | 20.26 | 11.1 | 0.6 | 17 | 16.73 | 4 | 4.3 | 1.75 |
| M 20 | 2.5 | 7.5 | 4.85 | 5.15 | 28 | 27.16 | 15 | 14.73 | 25 | 24.74 | 25.26 | 13.8 | 0.8 | 22 | 21.67 | 5 | 5.3 | 2 |
| M 24 | 3 | 9 | 5.85 | 6.15 | 32 | 31 | 18 | 17.73 | 28 | 27.74 | 28.26 | 15.2 | 0.8 | 24 | 23.67 | 6 | 6.3 | 2.5 |