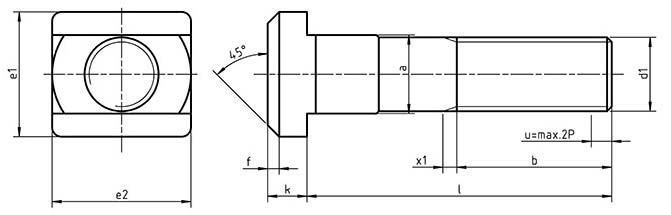
Dimensions for PN 61271 - Bolts and screws for T-slots

Dimensions for PN 61271 - Bolts and screws for T-slots

da
-0.3/-0.5
l-bl-bl-bl-bek
M6625 – 1540 – 2863 – 4010-0.54-0.5
M8832 – 2250 – 3580 – 50136
M101040 – 3063 – 45100 – 60156
M121250 – 3580 – 55125 – 75200 – 120187
M121450 – 3580 – 55125 – 75200 – 120228
M161863 – 45100 – 63160 – 100250 – 1502810
M202280 – 55125 – 85200 – 1253514
M2428100 – 70160 – 110250 – 15044-118-1