This International Standard specifies the characteristics of chamfered hexagon thin nuts, with threads
from M1,6 up to and including M64, with product grade A for threads d < M16 and product grade B for
threads d> M16.
If in special cases, specifications other than those listed in this International Standard are
required, they should be
selected from existing International Standards, for example
ISO 724,
ISO 898-2,
ISO 965-1,
ISO 3506-2
and ISO 4759-1.
| Dimensions | s | dt max |
|---|---|---|
| M 1.6 | 0.7 | 0.8 |
| M 2 | 0.9 | 1 |
| M 2.5 | 1.3 | 1.5 |
| M 3 | 1.5 | 2 |
| M 4 | 2 | 2.5 |
| M 5 | 2.5 | 3.5 |
| M 6 | 3 | 4 |
| M 8 | 4 | 5.5 |
| M 10 | 5 | 7 |
| M 12 | 6 | 8.35 |
| M 14 | 6 | 10 |
| M 16 | 8 | 12 |
| M 20 | 10 | 15 |
| M 24 | 12 | 18 |
| Thread D | pa | da | dw | e | m | mw | s | |||
|---|---|---|---|---|---|---|---|---|---|---|
| max. | min. | min. | min. | max. | min. | min. | nom. = max. | min. | ||
| M1.6 | 0.35 | 1.84 | 1.60 | 2.40 | 3.41 | 1.00 | 0.75 | 0.60 | 3.20 | 3.02 |
| M2 | 0.4 | 2.30 | 2.00 | 3.10 | 4.32 | 1.20 | 0.95 | 0.80 | 4.00 | 3.82 |
| M2.5 | 0.45 | 2.90 | 2.50 | 4.1 | 5.45 | 1.60 | 1.35 | 1.10 | 5.00 | 4.82 |
| M3 | 0.5 | 3.45 | 3.00 | 4.60 | 6.01 | 1.80 | 1.55 | 1.20 | 5.50 | 5.32 |
| M3.5 | 0.6 | 4.00 | 3.50 | 5.10 | 6.58 | 2.00 | 1.75 | 1.40 | 6.00 | 5.82 |
| M4 | 0.7 | 4.60 | 4.00 | 5.90 | 7.66 | 2.20 | 1.95 | 1.60 | 7.00 | 6.78 |
| M5 | 0.8 | 5.75 | 5.00 | 6.90 | 8.79 | 2.70 | 2.45 | 2.00 | 8.00 | 7.78 |
| M6 | 1 | 6.75 | 6.00 | 8.90 | 11.05 | 3.20 | 2.90 | 2.3 | 10.00 | 9.78 |
| M8 | 1.25 | 8.75 | 8.00 | 11.60 | 14.38 | 4.00 | 3.70 | 3.0 | 13.00 | 12.73 |
| M10 | 1.5 | 10.80 | 10.00 | 14.60 | 17.77 | 5.00 | 4.70 | 3.8 | 16.00 | 15.73 |
| M12 | 1.75 | 13.00 | 12.00 | 16.60 | 20.03 | 6.00 | 5.70 | 4.60 | 18.00 | 17.73 |
| M14 | 2 | 15.10 | 14.00 | 19.60 | 23.36 | 7.00 | 6.42 | 5.10 | 21.00 | 20.67 |
| M16 | 2 | 17.30 | 16.00 | 22.50 | 26.75 | 8.00 | 7.42 | 5.90 | 24.00 | 23.67 |
| M18 | 2.5 | 19.50 | 18.00 | 24.90 | 29.56 | 9.00 | 8.42 | 6.70 | 27.00 | 26.16 |
| M20 | 2.5 | 21.60 | 20.00 | 27.70 | 32.95 | 10.00 | 9.10 | 7.30 | 30.00 | 29.16 |
| M22 | 2.5 | 23.70 | 22.00 | 31.40 | 37.29 | 11.00 | 9.90 | 7.90 | 34.00 | 33.00 |
| M24 | 3 | 25.90 | 24.00 | 33.20 | 39.55 | 12.00 | 10.90 | 8.70 | 36.00 | 35.00 |
| M27 | 3 | 29.10 | 27.00 | 38.00 | 45.20 | 13.50 | 12.40 | 9.90 | 41.00 | 40.00 |
| M30 | 3.5 | 32.40 | 30.00 | 42.80 | 50.85 | 15.00 | 13.90 | 11.10 | 46.00 | 45.00 |
| M33 | 3.5 | 35.60 | 33.00 | 46.60 | 55.37 | 16.50 | 15.40 | 12.30 | 50.00 | 49.00 |
| M36 | 4 | 38.90 | 36.00 | 51.10 | 60.79 | 18.00 | 16.90 | 13.50 | 55.00 | 53.80 |
| M39 | 4 | 42.10 | 39.00 | 55.90 | 66.44 | 19.50 | 18.20 | 14.60 | 60.00 | 58.80 |
| M42 | 4.5 | 45.40 | 42.00 | 60.00 | 71.39 | 21.00 | 19.70 | 15.80 | 65.00 | 63.10 |
| M45 | 4.5 | 48.00 | 45.00 | 64.70 | 76.95 | 22.50 | 21.20 | 17.00 | 70.00 | 68.10 |
| M48 | 5 | 51.80 | 49.00 | 69.50 | 82.60 | 24.00 | 22.70 | 18.20 | 75.00 | 73.10 |
| M52 | 5 | 56.20 | 52.00 | 74.20 | 88.25 | 26.00 | 24.70 | 19.80 | 80.00 | 78.10 |
| M56 | 5.5 | 60.50 | 56.00 | 78.70 | 93.56 | 28.00 | 26.70 | 21.40 | 85.00 | 82.80 |
| M60 | 5.5 | 64.80 | 60.00 | 83.40 | 99.21 | 30.00 | 28.70 | 23.00 | 90.00 | 87.80 |
| M64 | 6 | 69.10 | 64.00 | 88.20 | 104.86 | 32.00 | 30.40 | 24.30 | 95.00 | 92.80 |
| Thread D | pa | da | dw | e | m | mw | s | |||
|---|---|---|---|---|---|---|---|---|---|---|
| max. | min. | min. | min. | max. | min. | min. | nom. = max. | min. | ||
| M1.6 | 0.35 | 1.84 | 1.60 | 2.40 | 3.41 | 1.00 | 0.75 | 0.60 | 3.20 | 3.02 |
| M2 | 0.4 | 2.30 | 2.00 | 3.10 | 4.32 | 1.20 | 0.95 | 0.80 | 4.00 | 3.82 |
| M2.5 | 0.45 | 2.90 | 2.50 | 4.1 | 5.45 | 1.60 | 1.35 | 1.10 | 5.00 | 4.82 |
| M3 | 0.5 | 3.45 | 3.00 | 4.60 | 6.01 | 1.80 | 1.55 | 1.20 | 5.50 | 5.32 |
| M3.5 | 0.6 | 4.00 | 3.50 | 5.10 | 6.58 | 2.00 | 1.75 | 1.40 | 6.00 | 5.82 |
| M4 | 0.7 | 4.60 | 4.00 | 5.90 | 7.66 | 2.20 | 1.95 | 1.60 | 7.00 | 6.78 |
| M5 | 0.8 | 5.75 | 5.00 | 6.90 | 8.79 | 2.70 | 2.45 | 2.00 | 8.00 | 7.78 |
| M6 | 1 | 6.75 | 6.00 | 8.90 | 11.05 | 3.20 | 2.90 | 2.3 | 10.00 | 9.78 |
| M8 | 1.25 | 8.75 | 8.00 | 11.60 | 14.38 | 4.00 | 3.70 | 3.0 | 13.00 | 12.73 |
| M10 | 1.5 | 10.80 | 10.00 | 14.60 | 17.77 | 5.00 | 4.70 | 3.8 | 16.00 | 15.73 |
| M12 | 1.75 | 13.00 | 12.00 | 16.60 | 20.03 | 6.00 | 5.70 | 4.60 | 18.00 | 17.73 |
| M14 | 2 | 15.10 | 14.00 | 19.60 | 23.36 | 7.00 | 6.42 | 5.10 | 21.00 | 20.67 |
| M16 | 2 | 17.30 | 16.00 | 22.50 | 26.75 | 8.00 | 7.42 | 5.90 | 24.00 | 23.67 |
| M18 | 2.5 | 19.50 | 18.00 | 24.90 | 29.56 | 9.00 | 8.42 | 6.70 | 27.00 | 26.16 |
| M20 | 2.5 | 21.60 | 20.00 | 27.70 | 32.95 | 10.00 | 9.10 | 7.30 | 30.00 | 29.16 |
| M22 | 2.5 | 23.70 | 22.00 | 31.40 | 37.29 | 11.00 | 9.90 | 7.90 | 34.00 | 33.00 |
| M24 | 3 | 25.90 | 24.00 | 33.20 | 39.55 | 12.00 | 10.90 | 8.70 | 36.00 | 35.00 |
| M27 | 3 | 29.10 | 27.00 | 38.00 | 45.20 | 13.50 | 12.40 | 9.90 | 41.00 | 40.00 |
| M30 | 3.5 | 32.40 | 30.00 | 42.80 | 50.85 | 15.00 | 13.90 | 11.10 | 46.00 | 45.00 |
| M33 | 3.5 | 35.60 | 33.00 | 46.60 | 55.37 | 16.50 | 15.40 | 12.30 | 50.00 | 49.00 |
| M36 | 4 | 38.90 | 36.00 | 51.10 | 60.79 | 18.00 | 16.90 | 13.50 | 55.00 | 53.80 |
| M39 | 4 | 42.10 | 39.00 | 55.90 | 66.44 | 19.50 | 18.20 | 14.60 | 60.00 | 58.80 |
| M42 | 4.5 | 45.40 | 42.00 | 60.00 | 71.39 | 21.00 | 19.70 | 15.80 | 65.00 | 63.10 |
| M45 | 4.5 | 48.00 | 45.00 | 64.70 | 76.95 | 22.50 | 21.20 | 17.00 | 70.00 | 68.10 |
| M48 | 5 | 51.80 | 49.00 | 69.50 | 82.60 | 24.00 | 22.70 | 18.20 | 75.00 | 73.10 |
| M52 | 5 | 56.20 | 52.00 | 74.20 | 88.25 | 26.00 | 24.70 | 19.80 | 80.00 | 78.10 |
| M56 | 5.5 | 60.50 | 56.00 | 78.70 | 93.56 | 28.00 | 26.70 | 21.40 | 85.00 | 82.80 |
| M60 | 5.5 | 64.80 | 60.00 | 83.40 | 99.21 | 30.00 | 28.70 | 23.00 | 90.00 | 87.80 |
| M64 | 6 | 69.10 | 64.00 | 88.20 | 104.86 | 32.00 | 30.40 | 24.30 | 95.00 | 92.80 |
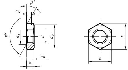
a β=15° to 30°.
b θ=110° to 120°.
| Thread D | pa | da | dw | e | m | mw | s | |||
|---|---|---|---|---|---|---|---|---|---|---|
| max. | min. | min. | min. | max. | min. | min. | nom. = max. | min. | ||
| M1.6 | 0.35 | 1.84 | 1.60 | 2.40 | 3.41 | 1.00 | 0.75 | 0.60 | 3.20 | 3.02 |
| M2 | 0.4 | 2.30 | 2.00 | 3.10 | 4.32 | 1.20 | 0.95 | 0.80 | 4.00 | 3.82 |
| M2.5 | 0.45 | 2.90 | 2.50 | 4.1 | 5.45 | 1.60 | 1.35 | 1.10 | 5.00 | 4.82 |
| M3 | 0.5 | 3.45 | 3.00 | 4.60 | 6.01 | 1.80 | 1.55 | 1.20 | 5.50 | 5.32 |
| M3.5 | 0.6 | 4.00 | 3.50 | 5.10 | 6.58 | 2.00 | 1.75 | 1.40 | 6.00 | 5.82 |
| M4 | 0.7 | 4.60 | 4.00 | 5.90 | 7.66 | 2.20 | 1.95 | 1.60 | 7.00 | 6.78 |
| M5 | 0.8 | 5.75 | 5.00 | 6.90 | 8.79 | 2.70 | 2.45 | 2.00 | 8.00 | 7.78 |
| M6 | 1 | 6.75 | 6.00 | 8.90 | 11.05 | 3.20 | 2.90 | 2.3 | 10.00 | 9.78 |
| M8 | 1.25 | 8.75 | 8.00 | 11.60 | 14.38 | 4.00 | 3.70 | 3.0 | 13.00 | 12.73 |
| M10 | 1.5 | 10.80 | 10.00 | 14.60 | 17.77 | 5.00 | 4.70 | 3.8 | 16.00 | 15.73 |
| M12 | 1.75 | 13.00 | 12.00 | 16.60 | 20.03 | 6.00 | 5.70 | 4.60 | 18.00 | 17.73 |
| M14 | 2 | 15.10 | 14.00 | 19.60 | 23.36 | 7.00 | 6.42 | 5.10 | 21.00 | 20.67 |
| M16 | 2 | 17.30 | 16.00 | 22.50 | 26.75 | 8.00 | 7.42 | 5.90 | 24.00 | 23.67 |
| M18 | 2.5 | 19.50 | 18.00 | 24.90 | 29.56 | 9.00 | 8.42 | 6.70 | 27.00 | 26.16 |
| M20 | 2.5 | 21.60 | 20.00 | 27.70 | 32.95 | 10.00 | 9.10 | 7.30 | 30.00 | 29.16 |
| M22 | 2.5 | 23.70 | 22.00 | 31.40 | 37.29 | 11.00 | 9.90 | 7.90 | 34.00 | 33.00 |
| M24 | 3 | 25.90 | 24.00 | 33.20 | 39.55 | 12.00 | 10.90 | 8.70 | 36.00 | 35.00 |
| M27 | 3 | 29.10 | 27.00 | 38.00 | 45.20 | 13.50 | 12.40 | 9.90 | 41.00 | 40.00 |
| M30 | 3.5 | 32.40 | 30.00 | 42.80 | 50.85 | 15.00 | 13.90 | 11.10 | 46.00 | 45.00 |
| M33 | 3.5 | 35.60 | 33.00 | 46.60 | 55.37 | 16.50 | 15.40 | 12.30 | 50.00 | 49.00 |
| M36 | 4 | 38.90 | 36.00 | 51.10 | 60.79 | 18.00 | 16.90 | 13.50 | 55.00 | 53.80 |
| M39 | 4 | 42.10 | 39.00 | 55.90 | 66.44 | 19.50 | 18.20 | 14.60 | 60.00 | 58.80 |
| M42 | 4.5 | 45.40 | 42.00 | 60.00 | 71.39 | 21.00 | 19.70 | 15.80 | 65.00 | 63.10 |
| M45 | 4.5 | 48.00 | 45.00 | 64.70 | 76.95 | 22.50 | 21.20 | 17.00 | 70.00 | 68.10 |
| M48 | 5 | 51.80 | 49.00 | 69.50 | 82.60 | 24.00 | 22.70 | 18.20 | 75.00 | 73.10 |
| M52 | 5 | 56.20 | 52.00 | 74.20 | 88.25 | 26.00 | 24.70 | 19.80 | 80.00 | 78.10 |
| M56 | 5.5 | 60.50 | 56.00 | 78.70 | 93.56 | 28.00 | 26.70 | 21.40 | 85.00 | 82.80 |
| M60 | 5.5 | 64.80 | 60.00 | 83.40 | 99.21 | 30.00 | 28.70 | 23.00 | 90.00 | 87.80 |
| M64 | 6 | 69.10 | 64.00 | 88.20 | 104.86 | 32.00 | 30.40 | 24.30 | 95.00 | 92.80 |
| Size | Weight |
|---|---|
| M1.6 | 0.06 |
| M1.8 | 0.08 |
| M2 | 0.11 |
| M2.5 | 0.22 |
| M3 | 0.29 |
| M3.5 | 0.37 |
| M4 | 0.57 |
| M5 | 0.83 |
| M6 | 1.60 |
| M8 | 3.20 |
| M10 | 7.20 |
| M12 | 10.4 |
| M14 | 15.9 |
| M16 | 20.5 |
| M18 | 29.6 |
| M20 | 40.2 |
| M22 | 48.3 |
| M24 | 69.5 |
| M27 | 101 |
| M30 | 139 |
| M33 | 183 |
| M36 | 244 |
| M39 | 316 |
| M42 | 403 |
| M45 | 500 |
| M48 | 617 |
| M52 | 755 |
| Material | Steel | Stainless steel | Non-ferrous metal | |
|---|---|---|---|---|
| General requirements | International standard | ISO 8992 | ||
| Thread | Tolerance class | 6H | ||
| International Standards | ISO 724, ISO 965-1 | |||
| Mechanical properties | Property class | D < M5: as agreed M5 ≤ D ≤ M39: 04, 05 D > M39: as agreed | D ≤ M24: A2-035, A4-035 M24 < D ≤ M39: A2-025, A4-025 D > M39: as agreed | Material specified in ISO 8839 |
| International Standards | D < M5: as agreed M5 ≤ D ≤ M39: ISO 898-2 D > M39: as agreed(specified in ISO 898-2:2012, Annex A) | D ≤ M39: ISO 3506-2 D > M39: as agreed | ||
| Tolerance | Product grade | D ≤ M16: A D > M16: B | ||
| International Standards | ISO 4759-1 | |||
| Finish Coating | As processed | Clean and bright | As processed | |
| Requirements for electroplating are specified in ISO 4042. | A method for passivation is specified in ISO 16048. | Requirements for electroplating are specified in ISO 4042. | ||
| Requirements for non-electrolytically applied zinc flake coatings are specified in ISO 10683. | ||||
| Requirements for hot dip galvanized coatings are specified in ISO 10684. | ||||
| Additional requirements or other finishes or coatings shall be agreed between the supplier and the purchaser. | ||||
| Surface integrity | Limits for surface discontinuities are specified in ISO 6157-2 | |||
| Acceptablity | Acceptance inspection is specified in ISO 3269 | |||
| Standards | Reference |
|---|---|
| ISO 225 | Fasteners — Bolts, screws, studs and nuts — Symbols and designations of dimensions. |
| ISO 724 | ISO general-purpose metric screw threads — Basic dimensions. |
| ISO 898-2 | ISO general-purpose metric screw threads — Basic dimensions. |
| ISO 965-1 | ISO general purpose metric screw threads — Tolerances — Part 1: Principles and basic data. |
| ISO 3269 | Fasteners — Acceptance inspection. |
| ISO 3506-2 | Mechanical properties of corrosion-resistant stainless steel fasteners — Part 2: Nuts. |
| ISO 4042 | Fasteners — Electroplated coatings. |
| ISO 4759-1 | Tolerances for fasteners — Part 1: Bolts, screws, studs and nuts — Product grades A, B and C. |
| ISO 6157-2 | Fasteners — Surface discontinuities — Part 2: Nuts. |
| ISO 8839 | Mechanical properties of fasteners — Bolts, screws, studs and nuts made of non-ferrous metals. |
| ISO 8992 | Fasteners — General requirements for bolts, screws, studs and nuts. |
| ISO 16083 | Fasteners — Non-electrolytically applied zinc flake coatings. |
| ISO 10684 | Fasteners — Hot dip galvanized coatings. |