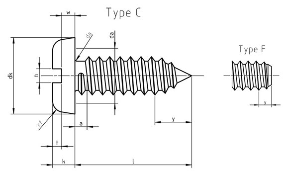
ISO 1481

Dimensions of Slotted Pan Head Tapping Screws

dse min.kr max.
2.955.452.30.4
3.55.562.60.5
3.977.66(2.3)0.5
4.277.663.00.6
4.888.793.80.7
5.588.794.10.8
6.31011.054.70.9