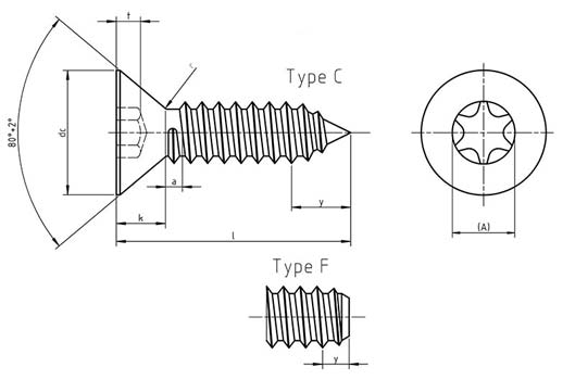
ISO 14586

Dimensions for ISO 14586 Hexalobular countersunk head

thread d1d2 maxk maxTORXAt max
ST 2.96.31.7102.80.91
ST 3.58.22.35153.351.3
ST 4.29.42.6203.951.58
ST 4.810.42.8254.51.78
ST 5.511.53254.52.03
ST 6.312.63.15305.62.42