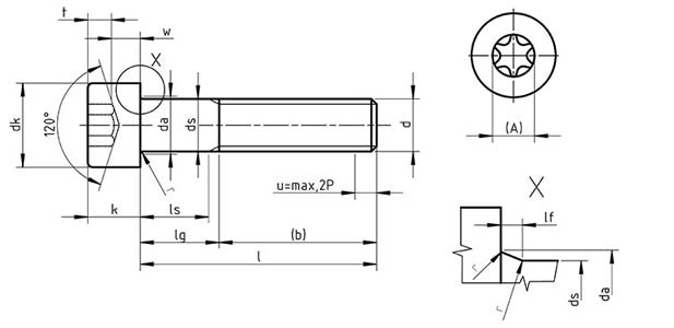
ISO 14579

Dimensions for ISO 14579 Hexalobular cylindrical head

Thread dpbdkdadslfkrvdawinner hexabulator
sizeAt
ref.max cmax dmin.maxmaxminmaxmaxminminmaxminminref.max.min.
M 20.4163.83.983.622.621.860.5121.860.10.23.480.5561.750.840.71
M 2.50.45174.54.684.323.12.52.360.512.52.360.10.254.180.8582.41.040.91
M 30.5185.55.685.323.632.860.5132.860.10.35.071.15102.81.271.01
M 40.72077.226.784.743.820.643.820.20.46.531.4203.951.81.42
M 50.8228.58.728.285.754.820.654.820.20.58.031.9254.52.031.65
M 61241010.229.786.865.820.6865.70.250.69.382.3305.62.422.02
M 81.25281313.2712.739.287.781.0287.640.40.812.333.3457.953.312.92