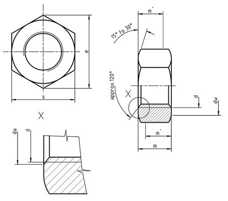
Dimensions for EU 28673 Hexagon nuts with metric coarse and fine pitch thread

Dimensions for EU 28673 Hexagon nuts with metric coarse and fine pitch thread

Thread dcdadwemmws
preferred threadsmaxminmaxminminminmaxminminnominal = maxmin
M8 x 10.600.158.758.0011.6314.386.806.445.1513.0012.73
M10 x 10.600.1510.8010.0014.6317.778.408.046.4316.0015.73
M12 x 1.50.600.1513.0012.0016.6320.0310.8010.378.3018.0017.73
M16 x 1.50.800.2017.3016.0022.4926.7514.8014.1011.2824.0023.67
M20 x 1.50.800.2021.6020.0027.7032.9518.0016.9013.5230.0029.16
M24 x 20.800.2025.9024.0033.2539.5521.5020.2016.1636.0035.00
M30 x 20.800.2032.4030.0042.7550.8525.6024.3019.4446.0045.00
M36 x 30.800.2038.9036.0051.1160.7931.0029.4023.5255.0053.80
M42 x 31.000.3045.4042.0059.9571.3034.0032.4025.9265.0063.10
M48 x 31.000.3051.8048.0069.4582.6038.0036.4029.1275.0073.10
M56 x 41.000.3060.5056.0078.6693.5645.0043.4034.7285.0082.80
M64 x 41.000.3069.1064.0088.16104.8651.0049.1039.2895.0092.80
Thread dcdadwemmws
preferred threadsmaxminmaxminminminmaxminminnominal = maxmin
M10 x 1.250.600.1510.801014.6317.778.408.046.4316.0015.73
M12 x 1.250.600.1513.001216.6320.0310.8010.378.3018.0017.73
M14 x 1.50.600.1515.101419.6423.3612.8012.109.6821.0020.67
M18 x 1.50.800.2019.501824.8529.5615.8015.1012.0827.0026.16
M20 x 20.800.2021.602027.7032.9518.0016.9013.5230.0029.16
M22 x 1.50.800.2023.702231.3537.2919.4018.1014.4834.0033.00
M27 x 20.800.2029.102738.0045.2023.8022.5018.0041.0040.00
M33 x 20.800.2035.603346.5555.3728.7027.4021.9250.0049.00
M39 x 31.000.3042.103955.8666.4433.4031.8025.4460.0058.80
M45 x 31.000.3048.604564.7076.9536.0034.4027.5270.0068.10
M52 x 41.000.3056.205274.2088.2542.0040.4032.3280.0078.10
M60 x 41.000.3064.806083.4199.2148.0046.4037.1290.0087.80