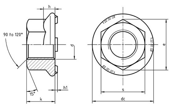
| d | p | dc | h | n | k | S | N | ||
|---|---|---|---|---|---|---|---|---|---|
| small | large | max | min | ||||||
| M5 | – | 0.8 | 15.5 | 1.7 | 4 | 5 | 4.7 | 8 | 2.9 |
| M6 | – | 1 | 18.5 | 2 | 5 | 7 | 6.64 | 10 | 5.7 |
| M8 | – | 1.25 | 22.5 | 2.5 | 6 | 10 | 9.64 | 13 | 12.2 |
| M10 | – | 1.5 | 26.5 | 3 | 7 | 13 | 12.57 | 16 | 21.8 |
| M12 | 1.5 | 1.75 | 30.5 | 3 | 8 | 15 | 14.57 | 18 | 29.4 |
| M14 | 1.5 | 2 | 33.5 | 4 | 8 | 17 | 16.16 | 21 | 45.8 |
| M16 | 1.5 | 2 | 36.5 | 4 | 8 | 19.5 | 18.66 | 24 | 63.1 |