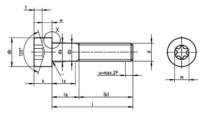
| Size | Dk | k | s | ISR | b |
|---|---|---|---|---|---|
| M2 | 5.6 | 1.65 | 0.8 | T6 | 16 |
| M2.5 | 6.5 | 1.93 | 0.8 | T8 | 17 |
| M3 | 7.5 | 2.2 | 1 | T10 | 18 |
| M4 | 8.3 | 2.35 | 1 | T20 | 20 |
| M5 | 9.2 | 2.5 | 1.2 | T25 | 22 |
| M6 | 10.2 | 2.75 | 1.2 | T30 | 24 |
| M8 | 11 | 3 | 1.6 | T45 | 28 |
| M10 | 12.5 | 3.5 | 2 | T50 | 32 |
| M12 | 18 | 12 | 10 | T55 | 36 |
| M14 | 21 | 14 | 12 | T60 | 40 |
| M16 | 24 | 16 | 14 | T70 | 44 |
| M18 | 20 | 18 | 14 | T80 | 48 |
| M20 | 30 | 20 | 17 | T90 | 52 |