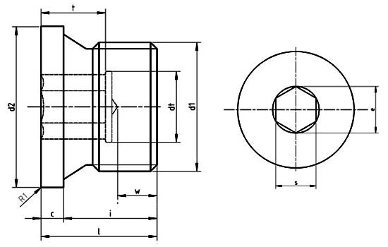
DIN 908

Dimensions for DIN 908 Screw plugs with collar and hexagon socket, cylindrical thread

d1cd2eilstwWeight (7.85 kg/dm3)
kg/1000 pieces
Metric Fine ThreadPipe Thread+0.5h14min.a0.2approx.D12minmin
M10x1G1/8 A3145.78115536.34
M12x1.53176.9121567311.3
G1/4 A3186.9121567314.6
M14x1.53196.9121567316
M16x1.53219.2121587.5319
G3/8 A3229.2121587.5321.4
M18x1.54239.2121687.5328.3
M20x1.542511.41418107.5437.5
G1/2 A42611.4118107.5440.8
M22x1.542711.41418107.5447.5
M24x1.542913.71418127.5453.5
M26x1.543113.71620129468.7
M27G 3/4 A43213.71620129473.5
M30x1.5M3043619.41620179484
M33G1 A53919.416211794111
M36x1.5M3654221.716211910.54134
M38x1.5G 11/8 A54421.716211910.54149
M3954621.716211910.54163
M42x1.5M42G1 1/4A54925.216212210.54187
M45x1.5M4555225.216212210.54215
M48x2M48G1 1/2A55527.416212410.54246
M52x1.5M5256027.416212410.54302
G1 3/4 A56236.6202532144320
M5656436.6202532144386
M60G 2A56836.6202532144445
M6457236.6202532144530