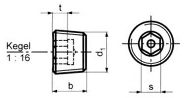
DIN 906

Dimensions of Metric Fine Threads

d1 b s e t min
M 8 x 1 8 4 4.6 4
M 10 x 1 8 5 5.7 4
M 12 x 1.5 10 6 6.9 5
M 14 x 1.5 10 7 8 5
M 16 x 1.5 10 8 9.2 5
M 18 x 1.5 10 8 9.2 5
M 20 x 1.5 10 10 11.4 5
M 22 x 1.5 10 10 11.4 5
M 24 x 1.5 12 12 13.7 6

Dimensions of Pipe Threads

d1bset min
R 1/8855.74
R 1/410785
R 3/81089.25
R 1/2101011.45
R 3/4121213.76
R 1121719.46