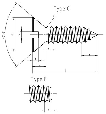
| Thread | p | a | dk | k | n | r | t | y max | |||||
|---|---|---|---|---|---|---|---|---|---|---|---|---|---|
| max | nominal=max | min | approx | nominal | min | max | max | min | max | Type C | Type F | ||
| ST 2.2 | 0.8 | 0.8 | 4.3 | 4 | 1.3 | 0.6 | 0.66 | 0.8 | 0.8 | 0.4 | 0.6 | 2 | 1.6 |
| ST 2.9 | 1.1 | 1.1 | 5.5 | 5.2 | 1.7 | 0.8 | 0.86 | 1 | 1.1 | 0.5 | 0.75 | 2.6 | 2.1 |
| ST 3.5 | 1.3 | 1.3 | 6.8 | 6.44 | 2.1 | 1 | 1.06 | 1.2 | 1.4 | 0.6 | 0.95 | 3.2 | 2.5 |
| ST 3.9 | 1.3 | 1.3 | 7.5 | 7.14 | 2.3 | 1 | 1.06 | 1.2 | 1.5 | 0.7 | 1.05 | 3.5 | 2.7 |
| ST 4.2 | 1.4 | 1.4 | 8.1 | 7.74 | 2.5 | 1.2 | 1.26 | 1.51 | 1.6 | 0.75 | 1.15 | 3.7 | 2.8 |
| ST 4.8 | 1.6 | 1.6 | 9.5 | 9.14 | 3 | 1.2 | 1.26 | 1.51 | 1.9 | 0.85 | 1.35 | 4.3 | 3.2 |
| ST 5.5 | 1.8 | 1.8 | 10.8 | 10.37 | 3.4 | 1.6 | 1.66 | 1.91 | 2.1 | 1 | 1.5 | 5 | 3.6 |
| ST 6.3 | 1.8 | 1.8 | 12.4 | 11.97 | 3.8 | 1.6 | 1.66 | 1.91 | 2.4 | 1.2 | 1.75 | 6 | 3.6 |