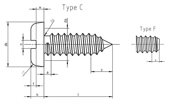
| Thread | p | a | da | dk | k | n | r | rf | t | w | y | |||||
|---|---|---|---|---|---|---|---|---|---|---|---|---|---|---|---|---|
| max | max | max | min | max | min | nominal | max | min | min | approx | min. | min. | Type C | Type F | ||
| ST 2.2 | 0.8 | 0.8 | 2.8 | 4 | 3.7 | 1.3 | 1.1 | 0.5 | 0.7 | 0.56 | 0.1 | 0.6 | 0.5 | 0.5 | 2 | 1.6 |
| ST 2.9 | 1.1 | 1.1 | 3.5 | 5.6 | 5.3 | 1.8 | 1.6 | 0.8 | 1 | 0.86 | 0.1 | 0.8 | 0.7 | 0.7 | 2.6 | 2.1 |
| ST 3.5 | 1.3 | 1.3 | 4.1 | 7 | 6.6 | 2.1 | 1.9 | 1 | 1.2 | 1.06 | 0.1 | 1 | 0.8 | 0.8 | 3.2 | 2.5 |
| ST 4.2 | 1.4 | 1.4 | 4.9 | 8 | 7.6 | 2.4 | 2.2 | 1.2 | 1.51 | 1.26 | 0.2 | 1.2 | 1 | 0.9 | 3.7 | 2.8 |
| ST 4.8 | 1.6 | 1.6 | 5.5 | 9.5 | 9.1 | 3 | 2.7 | 1.2 | 1.51 | 1.26 | 0.2 | 1.5 | 1.2 | 1.2 | 4.3 | 3.2 |
| ST 5.5 | 1.8 | 1.8 | 6.3 | 11 | 10.6 | 3.2 | 2.9 | 1.6 | 1.91 | 1.66 | 0.25 | 1.6 | 1.3 | 1.3 | 5 | 3.6 |
| ST 6.3 | 1.8 | 1.8 | 7.1 | 12 | 11.6 | 3.6 | 3.3 | 1.6 | 1.91 | 1.66 | 0.25 | 1.8 | 1.4 | 1.4 | 6 | 3.6 |
| ST 8 | 2.1 | 2.1 | 9.2 | 16 | 15.6 | 4.8 | 4.5 | 2 | 2.31 | 2.06 | 0.4 | 2.4 | 1.9 | 1.9 | 7.5 | 4.2 |
| ST 9.5 | 2.1 | 2.1 | 10.7 | 20 | 19.5 | 6 | 5.7 | 2.5 | 2.81 | 2.56 | 0.4 | 3 | 2.4 | 2.4 | 8 | 4.2 |