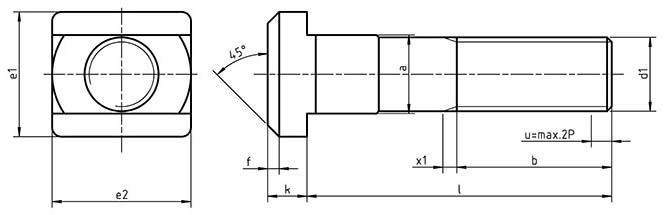
b – length of the thread (at least)
l – length of Bolts
d – the nominal diameter of the thread
k – head height
e – head width
a – average flow heads
| d | a -0.3/-0.5 | l-b | l-b | l-b | l-b | e | k |
|---|---|---|---|---|---|---|---|
| M6 | 6 | 25 – 15 | 40 – 28 | 63 – 40 | – | 10-0.5 | 4-0.5 |
| M8 | 8 | 32 – 22 | 50 – 35 | 80 – 50 | – | 13 | 6 |
| M10 | 10 | 40 – 30 | 63 – 45 | 100 – 60 | – | 15 | 6 |
| M12 | 12 | 50 – 35 | 80 – 55 | 125 – 75 | 200 – 120 | 18 | 7 |
| M12 | 14 | 50 – 35 | 80 – 55 | 125 – 75 | 200 – 120 | 22 | 8 |
| M16 | 18 | 63 – 45 | 100 – 63 | 160 – 100 | 250 – 150 | 28 | 10 |
| M20 | 22 | 80 – 55 | 125 – 85 | 200 – 125 | – | 35 | 14 |
| M24 | 28 | 100 – 70 | 160 – 110 | 250 – 150 | – | 44-1 | 18-1 |