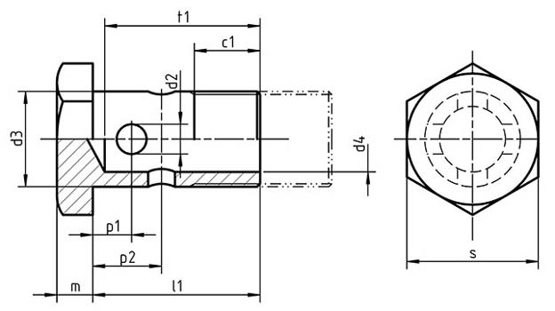
| Size | Rohr O | C1 | l1 | T1 | D2 | D3 | D4 | M | P1 | P2 | S |
|---|---|---|---|---|---|---|---|---|---|---|---|
| M8x1 | 4 & 5 | 8.5 | 17 | 15 | – | 8 | 4 | 5 | – | – | 12 |
| M10x1 | 5 | 8.5 | 19 | 17 | 2.8 | 10 | 5.5 | 6 | 4.5 | 6.5 | 14 |
| M12x1.5 | 8 | 11 | 24 | 22 | 3.5 | 12 | 7 | 6 | 5 | 8 | 17 |
| M14x1.5 | 10 | 11 | 16 | 24 | 4.5 | 14 | 9 | 6 | 5.5 | 9.5 | 19 |
| M16x1.5 | 12 | 11 | 28 | 26 | 5.5 | 16 | 11 | 6 | 6.5 | 11.5 | 22 |
| M18x1.5 | 15 | 11 | 32 | 29 | 7 | 18 | 13 | 6 | 7.5 | 14 | 24 |
| M22x1.5 | 18 | 13 | 39 | 35.5 | 9 | 22 | 16 | 7 | 9 | 18 | 27 |
| M26x1.5 | 22 | 13 | 45 | 41 | 11 | 26 | 20 | 7 | 10.5 | 22.5 | 32 |