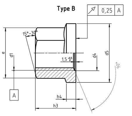
DIN 74361 B

Dimensions for DIN 74361 B Flat collar nuts form B

thread d s h h1 d2 d1 e min
M14x1.5 19 16 3.5 27 14.77 21.1
M18x1.5 24 19 4.5 29 18.83 26.51
M20x1.5 27 21 5.5 34 20.83 29.87
M22x1.5 30 23 6.5 36 22.83 33.23