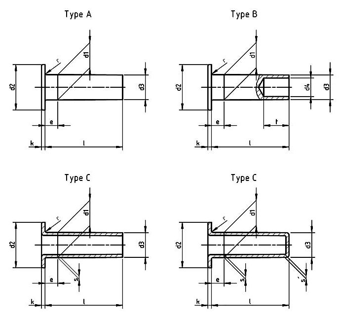
| d1 | d2 | d3 | d4 | d10 | e | k | r | s | s | t | ||
|---|---|---|---|---|---|---|---|---|---|---|---|---|
| h13 | nominal size | tolerance | min. | H13 | 0-0.4 | max. | 0-0.2 | max | ±0.1 | min | +0.50 | |
| 3 | 5.5 | h14 | 2.85 | 1.7 | 1.66 | 1.5 | 0.8 | 0.2 | 0.5 | 0.4 | 3.5 | 4 |
| 4 | 7.5 | h15 | 3.8 | 2.7 | 2.62 | 2 | 1 | 0.3 | 0.5 | 0.4 | 4 | 5 |
| 5 | 9.5 | h15 | 4.8 | 3.5 | 3.42 | 2.5 | 1 | 0.3 | 0.6 | 0.5 | 4 | 6 |
| 6 | 11.5 | h15 | 5.8 | 4.2 | 4.12 | 3 | 1.2 | 0.4 | 0.75 | 0.6 | 6 | 8 |
| 8 | 15.5 | h15 | 7.75 | 6 | 5.18 | 4 | 1.2 | 0.4 | 1.2 | 1 | 8 | 10 |
| 10 | 18 | h15 | 9.75 | 7.5 | 7.18 | 5 | 1.4 | 0.6 | 1.2 | 1 | 10 | 12 |