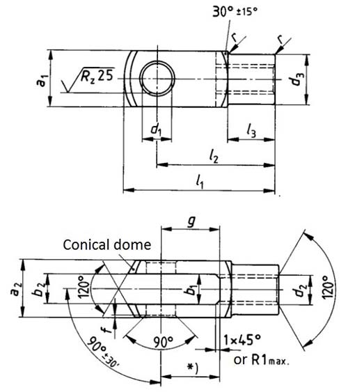
| d1 | g | a1 | a2 | b1 | b2 | d2 | d3 | f | l1 | l2 | l3 | r3 | Weight kg approx. | |||
|---|---|---|---|---|---|---|---|---|---|---|---|---|---|---|---|---|
| H9 | ±0.5 | +0.3 -0.16 |
B13 | Maximum | Rule-thread | Fine-thread | ±0.3 | ±0.2 | ±0.5 | Maximum | ±0.2 | |||||
| 4 | 8 | 8 | 8 | 4 | 4 | B13 | M4 | – | 8 | 0.5 | 21 | 16 | – | 6 | 0.5 | 0.005 |
| 4 | 16 | 8 | 8 | 4 | 4 | B13 | M4 | – | 8 | 0.5 | 29 | 24 | – | 6 | 0.5 | 0.007 |
| 5 | 10 | 10 | 10 | 5 | 5 | B13 | M5 | – | 9 | 0.5 | 26 | 20 | – | 7.5 | 0.5 | 0.09 |
| 5 | 20 | 10 | 10 | 5 | 5 | B13 | M5 | – | 9 | 0.5 | 36 | 30 | – | 7.5 | 0.5 | 0.013 |
| 6 | 12 | 12 | 12 | 6 | 6 | B13 | M6 | – | 10 | 0.5 | 31 | 24 | – | 9 | 0.5 | 0.015 |
| 6 | 24 | 12 | 12 | 6 | 6 | B13 | M6 | – | 10 | 0.5 | 43 | 36 | – | 9 | 0.5 | 0.022 |
| 8 | 16 | 16 | 16 | 8 | 8 | B13 | M8 | – | 14 | 0.5 | 42 | 32 | – | 12 | 0.5 | 0.037 |
| 8 | 32 | 16 | 16 | 8 | 8 | B13 | M8 | – | 14 | 0.5 | 58 | 48 | – | 12 | 0.5 | 0.054 |
| 10 | 20 | 20 | 20 | 10 | 10 | B13 | M10 | M10x1.25 | 18 | 0.5 | 52 | 40 | – | 15 | 0.5 | 0.074 |
| 10 | 40 | 20 | 20 | 10 | 10 | +0.7. +0.15 | M10 | M10x1.25 | 18 | 0.5 | 72 | 60 | – | 15 | 0.5 | 0.116 |
| 12 | 24 | 24 | 24 | 12 | 12 | +0.7. +0.15 | M12 | M12x1.5 | 20 | 0.5 | 62 | 48 | – | 18 | 0.5 | 0.121 |
| 12 | 48 | 24 | 24 | 12 | 12 | +0.7. +0.15 | M12 | M12x1.5 | 20 | 0.5 | 86 | 72 | – | 18 | 0.5 | 0.175 |
| 14 | 28 | 27 | 27 | 14 | 14 | +0.7. +0.15 | M14 | M14x1.5 | 24 | 1 | 72 | 56 | – | 22.5 | 1 | 0.178 |
| 14 | 56 | 27 | 27 | 14 | 14 | +0.7. +0.15 | M14 | M14x1.5 | 24 | 1 | 101 | 85 | – | 22.5 | 1 | 0.258 |
| 16 | 32 | 32 | 32 | 16 | 16 | +0.7. +0.15 | M16 | M16x1.5 | 26 | 1 | 83 | 64 | – | 24 | 1 | 0.282 |
| 16 | 64 | 32 | 32 | 16 | 16 | +0.7. +0.15 | M16 | M16x1.5 | 26 | 1 | 115 | 96 | – | 24 | 1 | 0.411 |