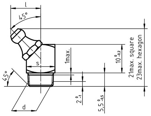
DIN 71412

Dimensions for DIN 71412 B Taper type grease nipples.

Thread H max s
M6x1 21 7
M8x1 21 9
M10x1 21 11