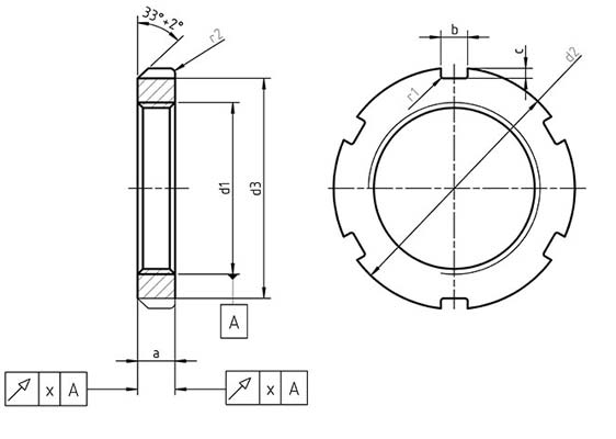
| thread 6H | a | b | c | d2 | d3 | r1 | Groove |
|---|---|---|---|---|---|---|---|
| M10 x 1 | 5 | 4.5 | 1.8 | 20 | 16 | 0.3 | 4 |
| M12 x 1.5 | 6 | 4.5 | 1.8 | 22 | 18 | 0.3 | 4 |
| M14 x 1.5 | 6 | 4.5 | 1.8 | 24 | 20 | 0.3 | 4 |
| M16 x 1.5 | 6 | 5.5 | 2.3 | 28 | 23 | 0.3 | 4 |
| M18 x 1.5 | 6 | 5.5 | 2.3 | 30 | 25 | 0.3 | 4 |
| M20 x 1.5 | 6 | 5.5 | 2.3 | 32 | 27 | 0.3 | 4 |
| M22 x 1.5 | 7 | 6.5 | 2.8 | 36 | 30 | 0.3 | 4 |
| M24 x 1.5 | 7 | 6.5 | 2.8 | 38 | 32 | 0.3 | 4 |
| M26 x 1.5 | 7 | 6.5 | 2.8 | 40 | 34 | 0.3 | 4 |
| M28 x 1.5 | 7 | 6.5 | 2.8 | 42 | 36 | 0.3 | 4 |
| M30 x 1.5 | 7 | 6.5 | 2.8 | 44 | 38 | 0.3 | 4 |
| M32 x 1.5 | 8 | 7 | 3.3 | 48 | 41 | 0.3 | 4 |
| M35 x 1.5 | 8 | 7 | 3.3 | 50 | 43 | 0.3 | 4 |
| M38 x 1.5 | 8 | 7 | 3.3 | 54 | 47 | 0.3 | 4 |
| M40 x 1.5 | 8 | 7 | 3.3 | 56 | 49 | 0.3 | 4 |
| M42 x 1.5 | 8 | 8 | 3.8 | 60 | 52 | 0.3 | 4 |
| M45 x 1.5 | 8 | 8 | 3.8 | 62 | 54 | 0.3 | 6 |
| M48 x 1.5 | 8 | 8 | 3.8 | 65 | 57 | 0.3 | 6 |
| M50 x 1.5 | 8 | 8 | 3.8 | 68 | 60 | 0.3 | 6 |
| M52 x 1.5 | 8 | 8 | 3.8 | 70 | 62 | 0.3 | 6 |
| M55 x 1.5 | 8 | 8 | 3.8 | 75 | 67 | 0.3 | 6 |
| M60 x 1.5 | 9 | 11 | 4.3 | 80 | 71 | 0.3 | 6 |
| M65 x 1.5 | 9 | 11 | 4.3 | 85 | 76 | 0.3 | 6 |
| M70 x 1.5 | 9 | 11 | 4.3 | 90 | 81 | 0.3 | 6 |
| M75 x 1.5 | 10 | 11 | 4.3 | 95 | 86 | 0.3 | 6 |
| M80 x 1.5 | 10 | 11 | 4.3 | 100 | 91 | 0.3 | 6 |