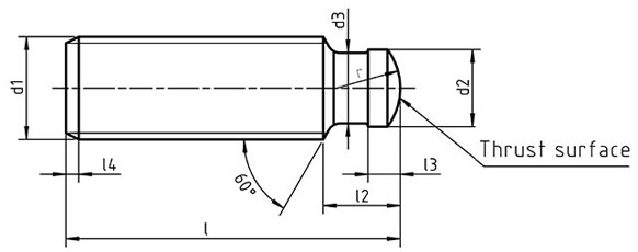
Dimensions for DIN 6332 Grub screws with thrust point

d1 d2 h11 d3 0-0.1 r l2 l3
M6 4.5 4 3 6 2.5
M8 6 5.4 5 7.5 3
M10 8 7.2 6 9 4.5
M12 8 7.2 6 10 4.5
M16 12 11 9 12 5
M20 15.5 14.4 13 14 5.5