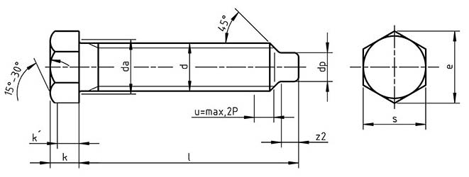
DIN 561 B

Dimensions for DIN 561 B Hexagon head screws with small hexagon and dog point

dpka1rz2dpesl form Bl form B
largesmallminmaxmaxmax
M61530.25348.79810401070
M81.2563.750.445.511.0510125016100
M101.574.50.45714.3813168016200
M121.7595.250.668.517.77162512020200
M1621160.681219.92183020030200
M202.52147.50.8101526.75244020040200
M24321790.8121833.53304520045200
M303.522110.51152339.98366020060200
M364325121182851.28466020080200
M424.533013.51.2213261.31558026080260
M485334151.6243872.61659030090300
M565.534016.52284583.9175100300100300