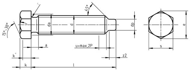
Dimensions for 561 A Hexagon head screws with small hexagon and dog point - steel

Dimensions for 561 A Hexagon head screws with small hexagon and dog point - steel


Thread dpa1dadpekkwrsz2
 maxmaxnom = maxminminnomminmaxminminnom = maxminnom = minmax
M6136.843.828.7954.855.153.40.2587.7833.25
M81.253.759.25.55.3211.0565.856.154.10.4109.7844.3
M101.54.511.276.7814.3876.827.184.80.41312.7355.3
M121.755.2513.78.58.2817.7798.829.186.20.61615.7366.3
M162617.71211.7319.921110.7911.217.60.61817.7388.36
M20M20x22.57.522.41514.7326.751413.7914.219.70.82423.671010.36
M24M24x23926.41817.7333.531716.7917.2111.80.83029.671212.43
M30M30x23.510.533.42322.6739.982120.7421.2614.513635.381515.43
M36M36x341239.42827.6751.282524.7425.2617.314645.381818.43
M42M42x34.513.545.63231.6161.313029.7430.2620.81.25554.262121.52
M48M48x351552.63837.6172.613433.6934.3123.61.66564.262424.52
M56M56x35.516.5634544.6183.914039.6940.3127.827574.262828.52