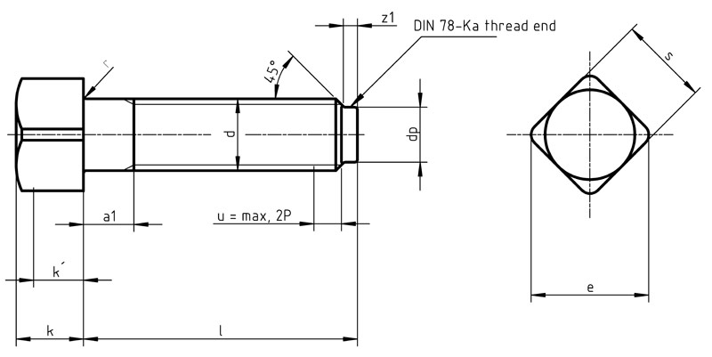
| Dimensions | Thread d | ||||||||
|---|---|---|---|---|---|---|---|---|---|
| P | a1 | dp | e | k | |||||
| max | nominal=max | min | nominal=max | min | nominal | max | min | ||
| M 5 | 0.8 | 2.4 | 3.5 | 3.32 | 6.5 | 5.92 | 5 | 4.85 | 5.15 |
| M 6 | 1 | 3 | 4 | 3.82 | 8 | 7.42 | 6 | 5.85 | 6.15 |
| M 8 | 1.25 | 4 | 5.5 | 5.32 | 10 | 9.42 | 8 | 7.82 | 8.18 |
| M 10 | 1.5 | 4.5 | 7 | 6.78 | 13 | 12.3 | 10 | 9.82 | 10.18 |
| M 12 | 1.75 | 5.3 | 8.5 | 8.28 | 17 | 16.3 | 12 | 11.79 | 12.21 |
| M 16 | 2 | 6 | 12 | 11.73 | 22 | 21.16 | 16 | 15.79 | 16.21 |
| M 20 | 2.5 | 7.5 | 15 | 14.73 | 28 | 27.16 | 20 | 19.74 | 20.26 |
| M 24 | 3 | 9 | 18 | 17.78 | 32 | 31 | 22 | 21.74 | 22.26 |
| Dimensions | Thread d | |||||
|---|---|---|---|---|---|---|
| k’ | r | s | z1 | |||
| min | min | nominal=max | min | nominal=max | min | |
| M 5 | 3.4 | 0.2 | 5 | 4.82 | 1.25 | 1.5 |
| M 6 | 4.1 | 0.25 | 6 | 5.82 | 1.5 | 1.75 |
| M 8 | 5.5 | 0.4 | 8 | 7.78 | 2 | 2.25 |
| M 10 | 6.9 | 0.4 | 10 | 9.78 | 2.5 | 2.75 |
| M 12 | 8.3 | 0.6 | 13 | 12.73 | 3 | 3.25 |
| M 16 | 11.1 | 0.6 | 17 | 16.73 | 4 | 4.3 |
| M 20 | 13.8 | 0.8 | 22 | 21.67 | 5 | 2.3 |
| M 24 | 15.2 | 0.8 | 24 | 23.67 | 6 | 6.3 |