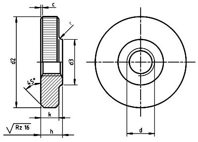
Dimensions for DIN 467 Knurled nuts

d1 d2 d3 h k
M2 9 4.5 2.5 2
M2.5 11 5 3 2.5
M3 12 6 3 2.5
M4 16 8 4 3.5
M5 20 10 5 4
M6 24 12 6 5
M8 30 16 8 6
M10 36 20 10 8