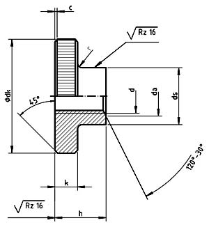
| Thread d | p | c | da | dk | ds | h | k | r | Knurl | Weight kg/1000pcs | ||||||
|---|---|---|---|---|---|---|---|---|---|---|---|---|---|---|---|---|
| min | max | nom | max | min | nom | min | nom | min | nom | min | ||||||
| M1 | 0.25 | – | 1 | 1.15 | 5.5 | 5.74 | 5.26 | 2.8 | 2.55 | 3.5 | 3.2 | 1.5 | 1.25 | 0.5 | 0.5 | 0.357 |
| M1.2 | 0.25 | – | 1.2 | 1.4 | 6 | 6.24 | 5.76 | 3 | 2.75 | 4 | 3.7 | 1.5 | 1.25 | 0.5 | 0.5 | 0.445 |
| M1.4 | 0.3 | – | 1.4 | 1.6 | 7 | 7.29 | 6.71 | 3.5 | 3.2 | 4.7 | 4.4 | 2 | 1.75 | 0.5 | 0.5 | 0.765 |
| M1.6 | 0.35 | – | 1.6 | 1.84 | 7.5 | 7.79 | 7.21 | 3.8 | 3.5 | 5 | 4.7 | 2 | 1.75 | 0.5 | 0.5 | 0.9 |
| M2 | 0.4 | – | 2 | 2.3 | 9 | 9.29 | 8.71 | 4.5 | 4.2 | 5.3 | 5 | 2 | 1.75 | 0.5 | 0.5 | 1.3 |
| M2.5 | 0.45 | 0.3 | 2.5 | 2.9 | 11 | 11.35 | 10.65 | 5 | 4.7 | 6.5 | 6.14 | 2.5 | 2.25 | 0.5 | 0.6 | 2.2 |
| M3 | 0.5 | 0.3 | 3 | 3.45 | 12 | 12.35 | 11.65 | 6 | 5.7 | 7.5 | 7.14 | 2.5 | 2.25 | 0.5 | 0.6 | 3 |
| M4 | 0.7 | 0.4 | 4 | 4.6 | 16 | 16.35 | 15.65 | 8 | 7.64 | 9.5 | 9.14 | 3.5 | 3.2 | 0.5 | 0.6 | 7.19 |
| M5 | 0.8 | 0.4 | 5 | 5.75 | 20 | 20.42 | 19.58 | 10 | 9.64 | 11.5 | 11.07 | 4 | 3.7 | 1 | 0.6 | 13 |
| M6 | 1 | 0.5 | 6 | 6.75 | 24 | 24.42 | 23.58 | 12 | 11.57 | 15 | 14.57 | 5 | 4.7 | 1 | 0.6 | 24 |
| M8 | 1.25 | 0.6 | 8 | 8.75 | 30 | 30.42 | 29.58 | 16 | 15.57 | 18 | 17.57 | 6 | 5.7 | 2 | 0.6 | 46 |
| M10 | 1.5 | 0.8 | 10 | 10.8 | 36 | 36.5 | 35.5 | 20 | 19.48 | 23 | 22.48 | 8 | 7.64 | 2 | 0.8 | 88 |