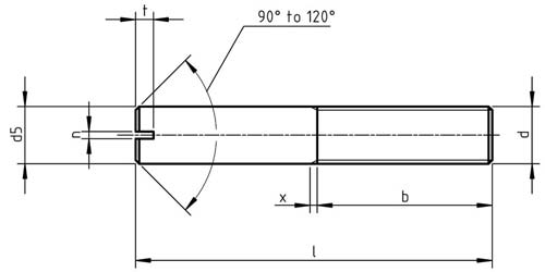
Dimensions for DIN 427 Slotted headless screws with flat point

d b n t min t max
M3 3.6 0.4 0.8 1.05
M4 4.8 0.6 1.12 1.42
M5 6 0.8 1.28 1.63
M6 7.8 1 1.6 2
M8 9.6 1.2 2 2.5
M10 12 1.6 2.4 3