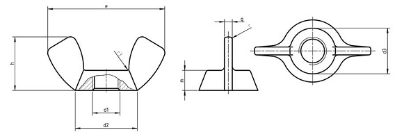
DIN 314 Wing Nut Dimensions

Size Thread Size (d1)
P d2 d3 e g h m
max min max min max min min max min max min
M4 0.7 9 7 7 5.5 21 19 1.1 11 9 4.6 3.2
M5 0.8 12 9 9 7.5 26.5 24.5 1.5 13 11 6 4
M6 1 14 11 11 9 32 29 1.5 16 14 7 5
M8 1.25 16 13 12.5 10.5 38 35 2 19 17 8.5 6.5
M10 1.5 21 18 16 14 50 47 3.6 24 22 10 8
M12 1.75 24 21 19 17 66 63 4.1 32 29 13 10