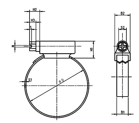
| D | B1 ±1 |
S1 | B2 max |
H1 max |
H2 ±0.3 |
H3 min |
N +0.3 – 0.6 | S2 H13 |
T 0.3 |
tightening torque |
breaking torque |
|---|---|---|---|---|---|---|---|---|---|---|---|
| 8-12 | 9 | 0.5-1 | 14 | 14 | 8 | 4 | 1.2 | 7 | 1.6 | 3.0Nm | 4.0Nm |
| 10-16 | 9 | 0.5-1 | 14 | 14 | 8 | 4 | 1.2 | 7 | 1.6 | 3.0Nm | 4.0Nm |
| 12-20 | 9 | 0.5-1 | 14 | 14 | 8 | 4 | 1.2 | 7 | 1.6 | 3.0Nm | 4.0Nm |
| 16-25 | 9 | 0.5-1 | 14 | 14 | 8 | 4 | 1.2 | 7 | 1.6 | 3.0Nm | 4.0Nm |
| 20-32 | 9 | 0.5-1 | 14 | 14 | 8 | 4 | 1.2 | 7 | 1.6 | 3.0Nm | 4.0Nm |
| 25-40 | 9 | 0.5-1 | 14 | 14 | 8 | 4 | 1.2 | 7 | 1.6 | 3.0Nm | 4.0Nm |
| 40-60 | 9 | 0.5-1 | 14 | 14 | 8 | 4 | 1.2 | 7 | 1.6 | 3.0Nm | 4.0Nm |
| 50-70 | 9 | 0.5-1 | 14 | 14 | 8 | 4 | 1.2 | 7 | 1.6 | 3.0Nm | 4.0Nm |
| 60-80 | 9 | 0.5-1 | 14 | 14 | 8 | 4 | 1.2 | 7 | 1.6 | 3.0Nm | 4.0Nm |
| 70-90 | 9 | 0.5-1 | 14 | 14 | 8 | 4 | 1.2 | 7 | 1.6 | 3.0Nm | 4.0Nm |
| 80-100 | 9 | 0.5-1 | 14 | 14 | 8 | 4 | 1.2 | 7 | 1.6 | 3.0Nm | 4.0Nm |
| 90-110 | 9 | 0.5-1 | 14 | 14 | 8 | 4 | 1.2 | 7 | 1.6 | 3.0Nm | 4.0Nm |
| 100-120 | 9 | 0.5-1 | 14 | 14 | 8 | 4 | 1.2 | 7 | 1.6 | 3.0Nm | 4.0Nm |
| 110-130 | 9 | 0.5-1 | 14 | 14 | 8 | 4 | 1.2 | 7 | 1.6 | 3.0Nm | 4.0Nm |
| 120-140 | 9 | 0.5-1 | 14 | 14 | 8 | 4 | 1.2 | 7 | 1.6 | 3.0Nm | 4.0Nm |
| 130-150 | 9 | 0.5-1 | 14 | 14 | 8 | 4 | 1.2 | 7 | 1.6 | 3.0Nm | 4.0Nm |
| 140-160 | 9 | 0.5-1 | 14 | 14 | 8 | 4 | 1.2 | 7 | 1.6 | 3.0Nm | 4.0Nm |
| 150-170 | 9 | 0.5-1 | 14 | 14 | 8 | 4 | 1.2 | 7 | 1.6 | 3.0Nm | 4.0Nm |
| 160-180 | 9 | 0.5-1 | 14 | 14 | 8 | 4 | 1.2 | 7 | 1.6 | 3.0Nm | 4.0Nm |
| 170-190 | 9 | 0.5-1 | 14 | 14 | 8 | 4 | 1.2 | 7 | 1.6 | 3.0Nm | 4.0Nm |
| 180-200 | 9 | 0.5-1 | 14 | 14 | 8 | 4 | 1.2 | 7 | 1.6 | 3.0Nm | 4.0Nm |
| 190-210 | 9 | 0.5-1 | 14 | 14 | 8 | 4 | 1.2 | 7 | 1.6 | 3.0Nm | 4.0Nm |
| 200-220 | 9 | 0.5-1 | 14 | 14 | 8 | 4 | 1.2 | 7 | 1.6 | 3.0Nm | 4.0Nm |
| 210-230 | 9 | 0.5-1 | 14 | 14 | 8 | 4 | 1.2 | 7 | 1.6 | 3.0Nm | 4.0Nm |