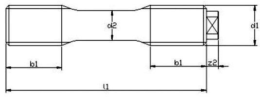
| Size (d1) | d2 | d3 | b1 | z1 | z2 | SW |
|---|---|---|---|---|---|---|
| M12 | 8.5 | 8 | 20 | 1.75 | 4 | 7 |
| M16 | 12 | 12 | 23 | 2 | 5 | 10 |
| M20 | 15 | 14 | 28 | 2.5 | 6 | 11 |
| M24 | 18 | 14 | 32 | 3 | 6 | 11 |
| M27 | 20.5 | 18 | 35 | 3 | 6 | 13 |
| M30 | 23 | 18 | 39 | 3.5 | 6 | 13 |
| M33 | 25.5 | 25 | 42 | 3.5 | 9 | 22 |
| M36 | 27.5 | 25 | 45 | 4 | 9 | 22 |
| M39 | 30.5 | 28 | 48 | 4 | 10 | 24 |
| M42 | 32.5 | 28 | 52 | 4.5 | 10 | 24 |
| M45 | 35.5 | 32 | 55 | 4.5 | 11 | 27 |
| M48 | 37.5 | 32 | 58 | 5 | 11 | 27 |
| M52 | 41 | 36 | 62 | 5 | 12 | 30 |
| M56 | 44 | 40 | – | 5.5 | 13 | 32 |